Special Configurations
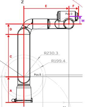
OffsetWrist_Y_SixAxis_FANUC_CRX_10IA_Like (there is a negative Y-direction offset (L) on the J5)
Axes |
Six |
Configuration name |
OffsetWrist_Y_SixAxis_FANUC_CRX_10IA_Like |
Description |
There is a negative Y-direction offset (L) on the J5 |
DH parameters |
|
Reference frame and axis No. |
|
Correlation between link and reference frame |
0: Reference frame 0, 1 |
1: Reference frame 0, 1 |
|
2: Reference frame 2 |
|
3: Reference frame 3, 4 |
|
4: Reference frame 3, 4 |
|
5: Reference frame 5 |
|
6: Reference frame 6 |
|
Classification of axes |
Wrist: 5, 6 |
Forearm: 3, 4 |
|
Upper arm: 2 |
|
Base: 0, 1 |
|
Robot model list |
FANUC CRX-10iA, FANUC CRX-10iAL, YASKAWA HC10 |
[robot]_algo example
{
"algo_type": "OffsetWrist_Y_SixAxis_FANUC_CRX_10IA_Like",
#DH parameters [meter]
"dh": [ A, C, E, F, -L ],
#joint limits [degree]
"min_limits": [ J1 min, J2 min, J3 min, J4 min, J5 min, J6 min ],
"max_limits": [ J1 max, J2 max, J3 max, J4 max, J5 max, J6 max ],
#joint positions at standard pose [degree]
"mastering_joints": [ J1, J2, J3, J4, J5, J6 ],
#joint orientations [0/1]
"axis_flip": "J1J2J3J4J5J6",
#robot base location [meter,meter,meter,degree,degree,degree]. If robot has not been moved, robot base frame equals to World frame.
"robot_frame_in_robot_base_frame": [ x, y, z, rx, ry, rz ],
#robot flange frame orientation [x/y/z]
"flange_frame_orientation": "z"
}
OffsetWrist_Y_SixAxis_Rokae_SR4_Like (there is a positive X-direction offset (G) on the J2, and a negative Y-direction offset (L) on the J5)
Axes |
Six |
Configuration name |
OffsetWrist_Y_SixAxis_Rokae_SR4_Like |
Description |
There is a positive X-direction offset (G) on the J2, and a negative Y-direction offset (L) on the J5 |
DH parameters |
|
Reference frame and axis No. |
|
Correlation between link and reference frame |
0: Reference frame 0, 1 |
1: Reference frame 0, 1 |
|
2: Reference frame 2 |
|
3: Reference frame 3 |
|
4: Reference frame 4 |
|
5: Reference frame 5 |
|
6: Reference frame 6 |
|
Classification of axes |
Wrist: 5, 6 |
Forearm: 3, 4 |
|
Upper arm: 2 |
|
Base: 0, 1 |
|
Robot model list |
Rokae SR3, SR4 |
[robot]_algo example
{
"algo_type": "OffsetWrist_Y_SixAxis_ROKAE_SR4_Like",
#DH parameters [meter]
"dh": [ A, C, D, G, E, F, -L ],
#joint limits [degree]
"min_limits": [ J1 min, J2 min, J3 min, J4 min, J5 min, J6 min ],
"max_limits": [ J1 max, J2 max, J3 max, J4 max, J5 max, J6 max ],
#joint positions at standard pose [degree]
"mastering_joints": [ J1, J2, J3, J4, J5, J6 ],
#joint orientations [0/1]
"axis_flip": "J1J2J3J4J5J6",
#robot base location [meter,meter,meter,degree,degree,degree]. If robot has not been moved, robot base frame equals to World frame.
"robot_frame_in_robot_base_frame": [ x, y, z, rx, ry, rz ],
#robot flange frame orientation [x/y/z]
"flange_frame_orientation": "z"
}
OffsetWrist_Y_SixAxis_DENSO_COBOTTA_PRO_1300_Like (there is a negative Y-direction offset (H) on the J3, and a positive Y-direction offset (L) on the J5)
Axes |
Six |
Configuration name |
OffsetWrist_Y_SixAxis_DENSO_COBOTTA_PRO_1300_Like |
Description |
There is a negative Y-direction offset (H) on the J3, and a positive Y-direction offset (L) on the J5 |
DH parameters |
|
Reference frame and axis No. |
|
Correlation between link and reference frame |
0: Reference frame 0, 1 |
1: Reference frame 0, 1 |
|
2: Reference frame 2 |
|
3: Reference frame 3, 4 |
|
4: Reference frame 3, 4 |
|
5: Reference frame 5 |
|
6: Reference frame 6 |
|
Classification of axes |
Wrist: 5, 6 |
Forearm: 3, 4 |
|
Upper arm: 2 |
|
Base: 0, 1 |
|
Robot model list |
Denso COBOTTA PRO 900, COBOTTA PRO 1300 |
[robot]_algo example
{
"algo_type": "OffsetWrist_Y_SixAxis_DENSO_COBOTTA_PRO_1300_Like",
#DH parameters [meter]
"dh": [ A, C, E, F, -H, L ],
#joint limits [degree]
"min_limits": [ J1 min, J2 min, J3 min, J4 min, J5 min, J6 min ],
"max_limits": [ J1 max, J2 max, J3 max, J4 max, J5 max, J6 max ],
#joint positions at standard pose [degree]
"mastering_joints": [ J1, J2, J3, J4, J5, J6 ],
#joint orientations [0/1]
"axis_flip": "J1J2J3J4J5J6",
#robot base location [meter,meter,meter,degree,degree,degree]. If robot has not been moved, robot base frame equals to World frame.
"robot_frame_in_robot_base_frame": [ x, y, z, rx, ry, rz ],
#robot flange frame orientation [x/y/z]
"flange_frame_orientation": "z"
}
OffsetWrist_Y_SixAxis_DENSO_COBOTTA_Like (there are positive Y-direction and Z-direction offsets (H, D) on the J3, and a negative Y-direction offset (L) on the J5)
Axes |
Six |
Configuration name |
OffsetWrist_Y_SixAxis_DENSO_COBOTTA_Like |
Description |
There are positive Y-direction and Z-direction offsets (H, D) on the J3, and a negative Y-direction offset (L) on the J5 |
DH parameters |
|
Reference frame and axis No. |
|
Correlation between link and reference frame |
0: Reference frame 0, 1 |
1: Reference frame 0, 1 |
|
2: Reference frame 2 |
|
3: Reference frame 3, 4 |
|
4: Reference frame 3, 4 |
|
5: Reference frame 5 |
|
6: Reference frame 6 |
|
Classification of axes |
Wrist: 5, 6 |
Forearm: 3, 4 |
|
Upper arm: 2 |
|
Base: 0, 1 |
|
Robot model list |
Denso COBOTTA |
[robot]_algo example
{
"algo_type": "OffsetWrist_Y_SixAxis_DENSO_COBOTTA_Like",
#DH parameters [meter]
"dh": [ A, C, D, E, F, H, -L ],
#joint limits [degree]
"min_limits": [ J1 min, J2 min, J3 min, J4 min, J5 min, J6 min ],
"max_limits": [ J1 max, J2 max, J3 max, J4 max, J5 max, J6 max ],
#joint positions at standard pose [degree]
"mastering_joints": [ J1, J2, J3, J4, J5, J6 ],
#joint orientations [0/1]
"axis_flip": "J1J2J3J4J5J6",
#robot base location [meter,meter,meter,degree,degree,degree]. If robot has not been moved, robot base frame equals to World frame.
"robot_frame_in_robot_base_frame": [ x, y, z, rx, ry, rz ],
#robot flange frame orientation [x/y/z]
"flange_frame_orientation": "z"
}
OffsetWrist_Z_SixAxis_ABB_CRB15000_Like (there is a positive Z-direction offset (M) on the J5)
Axes |
Six |
Configuration name |
OffsetWrist_Z_SixAxis_ABB_CRB15000_Like |
Description |
There is a positive Z-direction offset (M) on the J5 |
DH parameters |
|
Reference frame and axis No. |
|
Correlation between link and reference frame |
0: Reference frame 0, 1 |
1: Reference frame 0, 1 |
|
2: Reference frame 2 |
|
3: Reference frame 3, 4 |
|
4: Reference frame 3, 4 |
|
5: Reference frame 5 |
|
6: Reference frame 6 |
|
Classification of axes |
Wrist: 5, 6 |
Forearm: 3, 4 |
|
Upper arm: 2 |
|
Base: 0, 1 |
|
Robot model list |
ABB CRB15000-5/0.95 |
[robot]_algo example
{
"algo_type": "OffsetWrist_Z_SixAxis_ABB_CRB15000_5_0_95_Like",
#DH parameters [meter]
"dh": [ A, C, D, E, F, M ],
#joint limits [degree]
"min_limits": [ J1 min, J2 min, J3 min, J4 min, J5 min, J6 min ],
"max_limits": [ J1 max, J2 max, J3 max, J4 max, J5 max, J6 max ],
#joint positions at standard pose [degree]
"mastering_joints": [ J1, J2, J3, J4, J5, J6 ],
#joint orientations [0/1]
"axis_flip": "J1J2J3J4J5J6",
#robot base location [meter,meter,meter,degree,degree,degree]. If robot has not been moved, robot base frame equals to World frame.
"robot_frame_in_robot_base_frame": [ x, y, z, rx, ry, rz ],
#robot flange frame orientation [x/y/z]
"flange_frame_orientation": "z"
}









