基础构型列表
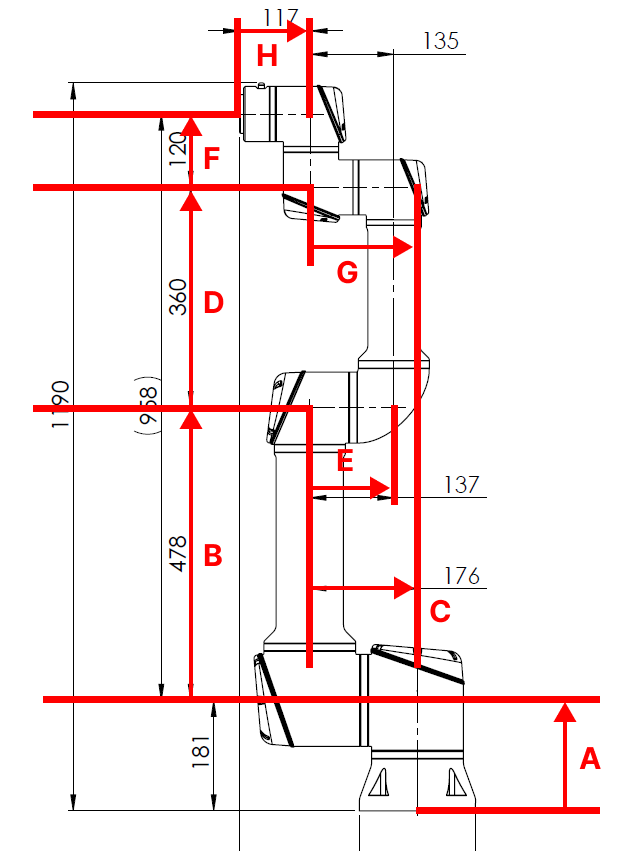
UR_UR5_Like 六轴协作机器人(类似于UR5)
轴数 |
六轴 |
构型名称 |
UR_UR5_Like |
构型描述 |
六轴协作机器人(类似于UR5) |
DH参数图 |
|
坐标系各轴名称 |
|
连杆、坐标系对应关系 |
0:坐标系0 |
1:坐标系1 |
|
2:坐标系2 |
|
3:坐标系3 |
|
4:坐标系4 |
|
5:坐标系5 |
|
6:坐标系6 |
|
各轴划分 |
腕部:5、6、4 |
小臂:3 |
|
大臂:2 |
|
底座:0、1 |
|
机型列表 |
UR、TM、ELITE、AUBO、JAKA、SINSUN 协作、DOBOT 协作 |
[robot]_algo样例
{
"algo_type": "UR_UR5_Like",
#DH parameters [meter]
"dh": [ A, B, D, G, F, H ],
"shoulder_offset": C,
"elbow_offset": E,
#joint limits [degree]
"min_limits": [ J1 min, J2 min, J3 min, J4 min, J5 min, J6 min ],
"max_limits": [ J1 max, J2 max, J3 max, J4 max, J5 max, J6 max ],
#joint positions at standard pose [degree]
"mastering_joints": [ J1, J2, J3, J4, J5, J6 ],
#joint orientations [0/1]
"axis_flip": "J1J2J3J4J5J6",
#robot base location [meter,meter,meter,degree,degree,degree]. If robot has not been moved, robot base frame equals to World frame.
"robot_frame_in_robot_base_frame": [ x, y, z, rx, ry, rz ],
#robot flange frame orientation [x/y/z]
"flange_frame_orientation": "z"
}
Painting_SixAxis 六轴喷涂机器人
轴数 |
六轴 |
构型名称 |
Painting_SixAxis |
构型描述 |
六轴喷涂机器人 |
DH参数图 |
|
坐标系各轴名称 |
|
连杆、坐标系对应关系 |
0:坐标系0、1 |
1:坐标系0、1 |
|
2:坐标系2 |
|
3:坐标系3 |
|
4:坐标系4 |
|
5:坐标系5 |
|
6:坐标系6 |
|
各轴划分 |
腕部:5、6、4 |
小臂:3 |
|
大臂:2 |
|
底座:0、1 |
|
机型列表 |
Yaskawa MPX3500、EFORT GR6150 1500 |
[robot]_algo样例
{
"algo_type": "Painting_SixAxis",
#DH parameters [meter]
"dh": [ A, B, C, D, E, F, N, P ],
#joint limits [degree]
"min_limits": [ J1 min, J2 min, J3 min, J4 min, J5 min, J6 min ],
"max_limits": [ J1 max, J2 max, J3 max, J4 max, J5 max, J6 max ],
"link3_dynamic_limits": [Min, Max],
#joint positions at standard pose [degree]
"mastering_joints": [ J1, J2, J3, J4, J5, J6 ],
#joint orientations [0/1]
"axis_flip": "J1J2J3J4J5J6",
#robot base location [meter,meter,meter,degree,degree,degree]. If robot has not been moved, robot base frame equals to World frame.
"robot_frame_in_robot_base_frame": [ x, y, z, rx, ry, rz ],
#robot flange frame orientation [x/y/z]
"flange_frame_orientation": "z"
}
SphericalWrist_SixAxis 常见工业六轴球型腕机器人
轴数 |
六轴 |
构型名称 |
SphericalWrist_SixAxis |
构型描述 |
常见工业六轴球型腕机器人 |
DH参数图 |
|
坐标系各轴名称 |
|
连杆、坐标系对应关系 |
0:坐标系0、1 |
1:坐标系0、1 |
|
2:坐标系2 |
|
3:坐标系3 |
|
4:坐标系4 |
|
5:坐标系5 |
|
6:坐标系6 |
|
A0: 坐标系2 |
|
A1: 坐标系A1 |
|
各轴划分 |
腕部:5、6 |
小臂:3、4 |
|
大臂:2、A1 |
|
底座:0、1、A0 |
|
机型列表 |
Yaskawa MPX3500、EFORT GR6150 1500 Kawasaki CX110L、ABB IRB6700 150-320、FANUC R-2000iC 210F、FANUC M-900iB 700、YASKAWA GP400、Kawasaki MX系列 |
[robot]_algo样例
{
"algo_type": "SphericalWrist_SixAxis",
#DH parameters [meter]
"dh": [ A, B, C, D, E, F ],
"dhPassive": [ A1X, A1Z, B0X, B0Z, B2X, B2Z ],
#joint limits [degree]
"min_limits": [ J1 min, J2 min, J3 min, J4 min, J5 min, J6 min ],
"max_limits": [ J1 max, J2 max, J3 max, J4 max, J5 max, J6 max ],
"link3_dynamic_limits": [Min, Max],
#joint positions at standard pose [degree]
"mastering_joints": [ J1, J2, J3, J4, J5, J6 ],
#joint orientations [0/1]
"axis_flip": "J1J2J3J4J5J6",
#robot base location [meter,meter,meter,degree,degree,degree]. If robot has not been moved, robot base frame equals to World frame.
"robot_frame_in_robot_base_frame": [ x, y, z, rx, ry, rz ],
#robot flange frame orientation [x/y/z]
"flange_frame_orientation": "z"
}
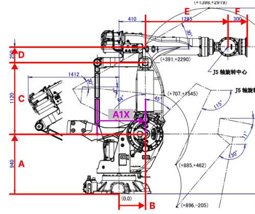
SphericalWrist_SixAxis 六轴球型腕+J3 在+x、+z方向上有偏置(G、D)
轴数 |
六轴 |
构型名称 |
SphericalWrist_SixAxis_KAWASAKI_BX250L_Like |
构型描述 |
六轴球型腕+J3在+x、+z方向上有偏置(G、D) |
DH参数图 |
|
坐标系各轴名称 |
|
连杆、坐标系对应关系 |
0:坐标系0、1 |
1:坐标系0、1 |
|
2:坐标系2 |
|
3:坐标系3 |
|
4:坐标系4 |
|
5:坐标系5 |
|
6:坐标系6 |
|
B0: 坐标系B0 |
|
B1: 坐标系B1 |
|
各轴划分 |
腕部:5、6、4 |
小臂:3 |
|
大臂:2、B0、B1 |
|
底座:0、1 |
|
机型列表 |
KAWASAKI BX250L、300L、200X |
[robot]_algo样例
{
"algo_type": "SphericalWrist_SixAxis_KAWASAKI_BX250L_Like",
#DH parameters [meter]
"dh": [ A, B, C, D, G, E, F ],
"dhPassive": [ A1X, A1Z, B0X, B0Z, B2X, B2Z ],
#joint limits [degree]
"min_limits": [ J1 min, J2 min, J3 min, J4 min, J5 min, J6 min ],
"max_limits": [ J1 max, J2 max, J3 max, J4 max, J5 max, J6 max ],
"link3_dynamic_limits": [Min, Max],
#joint positions at standard pose [degree]
"mastering_joints": [ J1, J2, J3, J4, J5, J6 ],
#joint orientations [0/1]
"axis_flip": "J1J2J3J4J5J6",
#robot base location [meter,meter,meter,degree,degree,degree]. If robot has not been moved, robot base frame equals to World frame.
"robot_frame_in_robot_base_frame": [ x, y, z, rx, ry, rz ],
#robot flange frame orientation [x/y/z]
"flange_frame_orientation": "z"
}
SphericalWrist_SixAxis_STAUBLI_TX2_60_Like 六轴球型腕+J3在+Y方向偏置(H)
轴数 |
六轴 |
构型名称 |
SphericalWrist_SixAxis_STAUBLI_TX2_60_Like |
构型描述 |
六轴球型腕+J3在+Y方向偏置 |
DH参数图 |
|
坐标系各轴名称 |
|
连杆、坐标系对应关系 |
0:坐标系0、1 |
1:坐标系0、1 |
|
2:坐标系2 |
|
3:坐标系3 |
|
4:坐标系4 |
|
5:坐标系5 |
|
6:坐标系6 |
|
各轴划分 |
腕部:5、6 |
小臂:3、4 |
|
大臂:2 |
|
底座:0、1 |
|
机型列表 |
STAUBLI 史陶比尔 TX2-60 |
[robot]_algo样例
{
"algo_type": "SphericalWrist_SixAxis_STAUBLI_TX2_60_Like",
#DH parameters [meter]
"dh": [ A, B, C, D, E, F, H ],
"dhPassive": [ A1X, A1Z, B0X, B0Z, B2X, B2Z ],
#joint limits [degree]
"min_limits": [ J1 min, J2 min, J3 min, J4 min, J5 min, J6 min ],
"max_limits": [ J1 max, J2 max, J3 max, J4 max, J5 max, J6 max ],
"link3_dynamic_limits": [Min, Max],
#joint positions at standard pose [degree]
"mastering_joints": [ J1, J2, J3, J4, J5, J6 ],
#joint orientations [0/1]
"axis_flip": "J1J2J3J4J5J6",
#robot base location [meter,meter,meter,degree,degree,degree]. If robot has not been moved, robot base frame equals to World frame.
"robot_frame_in_robot_base_frame": [ x, y, z, rx, ry, rz ],
#robot flange frame orientation [x/y/z]
"flange_frame_orientation": "z"
}
SphericalWrist_FiveAxis 类似六轴球型腕,只是J4不能转
轴数 |
五轴 |
构型名称 |
SphericalWrist_FiveAxis |
构型描述 |
类似六轴球型腕,只是J4不能转 |
DH参数图 |
|
坐标系各轴名称 |
|
连杆、坐标系对应关系 |
0:坐标系0、1 |
1:坐标系0、1 |
|
2:坐标系2 |
|
3:坐标系3 |
|
4:坐标系4 |
|
5:坐标系5 |
|
A0:坐标系2 |
|
A1:坐标系A1 |
|
各轴划分 |
腕部:4、5 |
小臂:3 |
|
大臂:2、A1 |
|
底座:0、1、A0 |
|
机型列表 |
YASKAWA MPL80II、FANUC M-410iB 140H |
[robot]_algo样例
{
"algo_type": "SphericalWrist_FiveAxis",
#DH parameters [meter]
"dh": [ A, B, C, D, E, F ],
"dhPassive": [ A1X, A1Z, B0X, B0Z, B2X, B2Z ],
#joint limits [degree]
"min_limits": [ J1 min, J2 min, J3 min, J4 min, J5 min ],
"max_limits": [ J1 max, J2 max, J3 max, J4 max, J5 max ],
"link3_dynamic_limits": [Min, Max],
"link4_dynamic_limits": [Min, Max],
#joint positions at standard pose [degree]
"mastering_joints": [ J1, J2, J3, J4, J5 ],
#joint orientations [0/1]
"axis_flip": "J1J2J3J4J5",
#robot base location [meter,meter,meter,degree,degree,degree]. If robot has not been moved, robot base frame equals to World frame.
"robot_frame_in_robot_base_frame": [ x, y, z, rx, ry, rz ],
#robot flange frame orientation [x/y/z]
"flange_frame_orientation": "z"
}
Palletizer 四轴码垛机器人
轴数 |
四轴 |
构型名称 |
Palletizer |
构型描述 |
四轴码垛机器人 |
DH参数图 |
|
坐标系各轴名称 |
|
连杆、坐标系对应关系 |
0:坐标系0、1 |
1:坐标系0、1 |
|
2:坐标系2 |
|
3:坐标系3 |
|
4:坐标系4 |
|
5:坐标系5 |
|
A0:坐标系2 |
|
A1:坐标系A1 |
|
B0:坐标系B0 |
|
B1:坐标系3 |
|
B2:坐标系B2 |
|
各轴划分 |
腕部:4、5 |
小臂:3、B2、B1 |
|
大臂:2、A1、B0 |
|
底座:0、1、A0 |
|
机型列表 |
ABB IRB660 180 315、FANUC M-410iC 110、YASKAWA MPL800II |
[robot]_algo样例
{
"algo_type": "Palletizer",
#DH parameters [meter]
"dh": [ A, B, C, E, K, F ],
"dhPassive": [ A1X, A1Z, B0X, B0Z, B2X, B2Z ],
#joint limits [degree]
"min_limits": [ J1 min, J2 min, J3 min, J4 min ],
"max_limits": [ J1 max, J2 max, J3 max, J4 max ],
"link3_dynamic_limits": [Min, Max],
#joint positions at standard pose [degree]
"mastering_joints": [ J1, J2, J3, J4 ],
#joint orientations [0/1]
"axis_flip": "J1J2J3J4",
#robot base location [meter,meter,meter,degree,degree,degree]. If robot has not been moved, robot base frame equals to World frame.
"robot_frame_in_robot_base_frame": [ x, y, z, rx, ry, rz ],
#robot flange frame orientation [x/y/z]
"flange_frame_orientation": "z"
}
Palletizer_KAWASAKI_CP180L_Like 四轴码垛机器人+J3在+Z方向偏置(D)
轴数 |
四轴 |
构型名称 |
Palletizer_KAWASAKI_CP180L_Like |
构型描述 |
四轴码垛机器人+J3在+Z方向偏置(D) |
DH参数图 |
|
坐标系各轴名称 |
|
连杆、坐标系对应关系 |
0:坐标系0、1 |
1:坐标系0、1 |
|
2:坐标系2 |
|
3:坐标系3 |
|
4:坐标系4 |
|
5:坐标系5 |
|
B0:坐标系B0 |
|
B1:坐标系3 |
|
B2:坐标系B2 |
|
各轴划分 |
腕部:4、5 |
小臂:3、B2、B1 |
|
大臂:2、B0 |
|
底座:0、1 |
|
机型列表 |
KAWASAKI CP130L、180L、300L、500L、700L、FANUC M-410iB 450 |
[robot]_algo样例
{
"algo_type": "Palletizer_KAWASAKI_CP180L_Like",
#DH parameters [meter]
"dh": [ A, B, C, D, E, K, F ],
"dhPassive": [ A1X, A1Z, B0X, B0Z, B2X, B2Z ],
#joint limits [degree]
"min_limits": [ J1 min, J2 min, J3 min, J4 min ],
"max_limits": [ J1 max, J2 max, J3 max, J4 max ],
"link3_dynamic_limits": [Min, Max],
#joint positions at standard pose [degree]
"mastering_joints": [ J1, J2, J3, J4 ],
#joint orientations [0/1]
"axis_flip": "J1J2J3J4",
#robot base location [meter,meter,meter,degree,degree,degree]. If robot has not been moved, robot base frame equals to World frame.
"robot_frame_in_robot_base_frame": [ x, y, z, rx, ry, rz ],
#robot flange frame orientation [x/y/z]
"flange_frame_orientation": "z"
}
Scara_FourAxis_Translation_1st 四轴码垛机器人+J3在+Z方向偏置(D)
轴数 |
四轴 |
构型名称 |
Scara_FourAxis_Translation_1st |
构型描述 |
四轴Scara机器人+1轴为平动 |
DH参数图 |
|
坐标系各轴名称 |
|
连杆、坐标系对应关系 |
0:坐标系0、1 |
1:坐标系0、1 |
|
2:坐标系2 |
|
3:坐标系3 |
|
4:坐标系4 |
|
各轴划分 |
腕部:4 |
小臂:3 |
|
大臂:2 |
|
底座:0、1 |
|
机型列表 |
HITBOT Z-Arm 2442 |
[robot]_algo样例
{
"algo_type": "Scara_FourAxis_Translation_1st",
#DH parameters [meter]
"dh": [ A, B, C, D, E ],
#joint limits [millimeter,degree,degree,degree]
"min_limits": [ J1 min, J2 min, J3 min, J4 min ],
"max_limits": [ J1 max, J2 max, J3 max, J4 max ],
#joint positions at standard pose [meter,degree,degree,degree]
"mastering_joints": [ J1, J2, J3, J4 ],
#joint orientations [0/1]
"axis_flip": "J1J2J3J4",
#robot base location [meter,meter,meter,degree,degree,degree]. If robot has not been moved, robot base frame equals to World frame.
"robot_frame_in_robot_base_frame": [ x, y, z, rx, ry, rz ],
#robot flange frame orientation [x/y/z]
"flange_frame_orientation": "z"
}
Scara_FourAxis 四轴Scara
轴数 |
四轴 |
构型名称 |
Scara_FourAxis |
构型描述 |
四轴Scara |
DH参数图 |
|
坐标系各轴名称 |
|
连杆、坐标系对应关系 |
0:坐标系0、1 |
1:坐标系0、1 |
|
2:坐标系2 |
|
3:坐标系3 |
|
各轴划分 |
腕部:3 |
小臂:2 |
|
大臂:1 |
|
底座:0 |
|
机型列表 |
ADTECH AR6215 |
[robot]_algo样例
{
"algo_type": "Scara_FourAxis",
#DH parameters [meter]
"dh": [ A, B, C, D, E ],
#joint limits [degree,degree,millimeter,degree]
"min_limits": [ J1 min, J2 min, J3 min, J4 min ],
"max_limits": [ J1 max, J2 max, J3 max, J4 max ],
#joint positions at standard pose [degree,degree,meter,degree]
"mastering_joints": [ J1, J2, J3, J4 ],
#joint orientations [0/1]
"axis_flip": "J1J2J3J4",
#robot base location [meter,meter,meter,degree,degree,degree]. If robot has not been moved, robot base frame equals to World frame.
"robot_frame_in_robot_base_frame": [ x, y, z, rx, ry, rz ],
#robot flange frame orientation [x/y/z]
"flange_frame_orientation": "z"
}



















