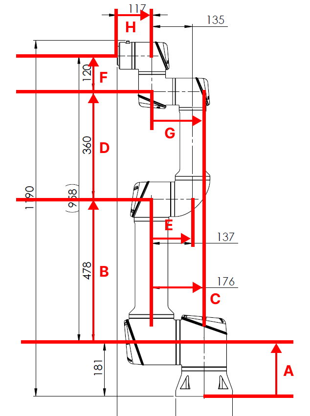
Basic Configurations
UR_UR5_Like six-axis collaborative robot (similar to UR5)
Axes |
Six |
Configuration name |
UR_UR5_Like |
Description |
Six-axis collaborative robot similar to UR5 |
DH parameters |
|
Reference frame and axis No. |
|
Correlation between link and reference frame |
0: Reference frame 0 |
1: Reference frame 1 |
|
2: Reference frame 2 |
|
3: Reference frame 3 |
|
4: Reference frame 4 |
|
5: Reference frame 5 |
|
6: Reference frame 6 |
|
Classification of axes |
Wrist: 5, 6, 4 |
Forearm: 3 |
|
Upper arm: 2 |
|
Base: 0, 1 |
|
Robot model list |
UR, TM, ELITE, AUBO, JAKA, SINSUN collaborative robots, DOBOT collaborative robots |
[robot]_algo example
{
"algo_type": "UR_UR5_Like",
#DH parameters [meter]
"dh": [ A, B, D, G, F, H ],
"shoulder_offset": C,
"elbow_offset": E,
#joint limits [degree]
"min_limits": [ J1 min, J2 min, J3 min, J4 min, J5 min, J6 min ],
"max_limits": [ J1 max, J2 max, J3 max, J4 max, J5 max, J6 max ],
#joint positions at standard pose [degree]
"mastering_joints": [ J1, J2, J3, J4, J5, J6 ],
#joint orientations [0/1]
"axis_flip": "J1J2J3J4J5J6",
#robot base location [meter,meter,meter,degree,degree,degree]. If robot has not been moved, robot base frame equals to World frame.
"robot_frame_in_robot_base_frame": [ x, y, z, rx, ry, rz ],
#robot flange frame orientation [x/y/z]
"flange_frame_orientation": "z"
}
Painting_SixAxis (six-axis spray painting robot)
Axes |
Six |
Configuration name |
Painting_SixAxis |
Description |
Six-axis spray painting robot |
DH parameters |
|
Reference frame and axis No. |
|
Correlation between link and reference frame |
0: Reference frame 0, 1 |
1: Reference frame 0, 1 |
|
2: Reference frame 2 |
|
3: Reference frame 3 |
|
4: Reference frame 4 |
|
5: Reference frame 5 |
|
6: Reference frame 6 |
|
Classification of axes |
Wrist: 5, 6, 4 |
Forearm: 3 |
|
Upper arm: 2 |
|
Base: 0, 1 |
|
Robot model list |
Yaskawa MPX3500, EFORT GR6150 1500 |
[robot]_algo example
{
"algo_type": "Painting_SixAxis",
#DH parameters [meter]
"dh": [ A, B, C, D, E, F, N, P ],
#joint limits [degree]
"min_limits": [ J1 min, J2 min, J3 min, J4 min, J5 min, J6 min ],
"max_limits": [ J1 max, J2 max, J3 max, J4 max, J5 max, J6 max ],
"link3_dynamic_limits": [Min, Max],
#joint positions at standard pose [degree]
"mastering_joints": [ J1, J2, J3, J4, J5, J6 ],
#joint orientations [0/1]
"axis_flip": "J1J2J3J4J5J6",
#robot base location [meter,meter,meter,degree,degree,degree]. If robot has not been moved, robot base frame equals to World frame.
"robot_frame_in_robot_base_frame": [ x, y, z, rx, ry, rz ],
#robot flange frame orientation [x/y/z]
"flange_frame_orientation": "z"
}
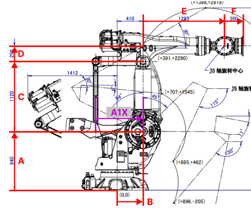
SphericalWrist_SixAxis (common industrial six-axis spherical wrist robot)
Axes |
Six |
Configuration name |
SphericalWrist_SixAxis |
Description |
Common industrial six-axis spherical wrist robot |
DH parameters |
|
Reference frame and axis No. |
|
Correlation between link and reference frame |
0: Reference frame 0, 1 |
1: Reference frame 0, 1 |
|
2: Reference frame 2 |
|
3: Reference frame 3 |
|
4: Reference frame 4 |
|
5: Reference frame 5 |
|
6: Reference frame 6 |
|
A0: Reference frame 2 |
|
A1: Reference frame A1 |
|
Classification of axes |
Wrist: 5, 6 |
Forearm: 3, 4 |
|
Upper arm: 2, A1 |
|
Base: 0, 1, A0 |
|
Robot model list |
Yaskawa MPX3500, EFORT GR6150 1500 Kawasaki CX110L, ABB IRB6700 150-320, FANUC R-2000iC 210F, FANUC M-900iB 700, YASKAWA GP400, Kawasaki MX series |
[robot]_algo example
{
"algo_type": "SphericalWrist_SixAxis",
#DH parameters [meter]
"dh": [ A, B, C, D, E, F ],
"dhPassive": [ A1X, A1Z, B0X, B0Z, B2X, B2Z ],
#joint limits [degree]
"min_limits": [ J1 min, J2 min, J3 min, J4 min, J5 min, J6 min ],
"max_limits": [ J1 max, J2 max, J3 max, J4 max, J5 max, J6 max ],
"link3_dynamic_limits": [Min, Max],
#joint positions at standard pose [degree]
"mastering_joints": [ J1, J2, J3, J4, J5, J6 ],
#joint orientations [0/1]
"axis_flip": "J1J2J3J4J5J6",
#robot base location [meter,meter,meter,degree,degree,degree]. If robot has not been moved, robot base frame equals to World frame.
"robot_frame_in_robot_base_frame": [ x, y, z, rx, ry, rz ],
#robot flange frame orientation [x/y/z]
"flange_frame_orientation": "z"
}
SphericalWrist_SixAxis (six-axis spherical wrist robot with positive X-direction and Z-direction offsets (G, D) on the J3)
Axes |
Six |
Configuration name |
SphericalWrist_SixAxis_KAWASAKI_BX250L_Like |
Description |
Six-axis spherical wrist robot with positive X-direction and Z-direction offsets (G, D) on the J3 |
DH parameters |
|
Reference frame and axis No. |
|
Correlation between link and reference frame |
0: Reference frame 0, 1 |
1: Reference frame 0, 1 |
|
2: Reference frame 2 |
|
3: Reference frame 3 |
|
4: Reference frame 4 |
|
5: Reference frame 5 |
|
6: Reference frame 6 |
|
B0: Reference frame B0 |
|
B1: Reference frame B1 |
|
Classification of axes |
Wrist: 5, 6, 4 |
Forearm: 3 |
|
Upper arm: 2, B0, B1 |
|
Base: 0, 1 |
|
Robot model list |
KAWASAKI BX250L, 300L, 200X |
[robot]_algo example
{
"algo_type": "SphericalWrist_SixAxis_KAWASAKI_BX250L_Like",
#DH parameters [meter]
"dh": [ A, B, C, D, G, E, F ],
"dhPassive": [ A1X, A1Z, B0X, B0Z, B2X, B2Z ],
#joint limits [degree]
"min_limits": [ J1 min, J2 min, J3 min, J4 min, J5 min, J6 min ],
"max_limits": [ J1 max, J2 max, J3 max, J4 max, J5 max, J6 max ],
"link3_dynamic_limits": [Min, Max],
#joint positions at standard pose [degree]
"mastering_joints": [ J1, J2, J3, J4, J5, J6 ],
#joint orientations [0/1]
"axis_flip": "J1J2J3J4J5J6",
#robot base location [meter,meter,meter,degree,degree,degree]. If robot has not been moved, robot base frame equals to World frame.
"robot_frame_in_robot_base_frame": [ x, y, z, rx, ry, rz ],
#robot flange frame orientation [x/y/z]
"flange_frame_orientation": "z"
}
SphericalWrist_SixAxis_STAUBLI_TX2_60_Like (six-axis spherical wrist robot with a positive Y-direction offset (H) on the J3)
Axes |
Six |
Configuration name |
SphericalWrist_SixAxis_STAUBLI_TX2_60_Like |
Description |
Six-axis spherical wrist robot with a positive Y-direction offset on the J3 |
DH parameters |
|
Reference frame and axis No. |
|
Correlation between link and reference frame |
0: Reference frame 0, 1 |
1: Reference frame 0, 1 |
|
2: Reference frame 2 |
|
3: Reference frame 3 |
|
4: Reference frame 4 |
|
5: Reference frame 5 |
|
6: Reference frame 6 |
|
Classification of axes |
Wrist: 5, 6 |
Forearm: 3, 4 |
|
Upper arm: 2 |
|
Base: 0, 1 |
|
Robot model list |
STAUBLI TX2-60 |
[robot]_algo example
{
"algo_type": "SphericalWrist_SixAxis_STAUBLI_TX2_60_Like",
#DH parameters [meter]
"dh": [ A, B, C, D, E, F, H ],
"dhPassive": [ A1X, A1Z, B0X, B0Z, B2X, B2Z ],
#joint limits [degree]
"min_limits": [ J1 min, J2 min, J3 min, J4 min, J5 min, J6 min ],
"max_limits": [ J1 max, J2 max, J3 max, J4 max, J5 max, J6 max ],
"link3_dynamic_limits": [Min, Max],
#joint positions at standard pose [degree]
"mastering_joints": [ J1, J2, J3, J4, J5, J6 ],
#joint orientations [0/1]
"axis_flip": "J1J2J3J4J5J6",
#robot base location [meter,meter,meter,degree,degree,degree]. If robot has not been moved, robot base frame equals to World frame.
"robot_frame_in_robot_base_frame": [ x, y, z, rx, ry, rz ],
#robot flange frame orientation [x/y/z]
"flange_frame_orientation": "z"
}
SphericalWrist_FiveAxis (similar to the six-axis spherical wrist robot with J4 not able to roll)
Axes |
Five |
Configuration name |
SphericalWrist_FiveAxis |
Description |
Similar to the six-axis spherical wrist robot with J4 not able to roll |
DH parameters |
|
Reference frame and axis No. |
|
Correlation between link and reference frame |
0: Reference frame 0, 1 |
1: Reference frame 0, 1 |
|
2: Reference frame 2 |
|
3: Reference frame 3 |
|
4: Reference frame 4 |
|
5: Reference frame 5 |
|
A0: Reference frame 2 |
|
A1: Reference frame A1 |
|
Classification of axes |
Wrist: 4, 5 |
Forearm: 3 |
|
Upper arm: 2, A1 |
|
Base: 0, 1, A0 |
|
Robot model list |
YASKAWA MPL80II, FANUC M-410iB 140H |
[robot]_algo example
{
"algo_type": "SphericalWrist_FiveAxis",
#DH parameters [meter]
"dh": [ A, B, C, D, E, F ],
"dhPassive": [ A1X, A1Z, B0X, B0Z, B2X, B2Z ],
#joint limits [degree]
"min_limits": [ J1 min, J2 min, J3 min, J4 min, J5 min ],
"max_limits": [ J1 max, J2 max, J3 max, J4 max, J5 max ],
"link3_dynamic_limits": [Min, Max],
"link4_dynamic_limits": [Min, Max],
#joint positions at standard pose [degree]
"mastering_joints": [ J1, J2, J3, J4, J5 ],
#joint orientations [0/1]
"axis_flip": "J1J2J3J4J5",
#robot base location [meter,meter,meter,degree,degree,degree]. If robot has not been moved, robot base frame equals to World frame.
"robot_frame_in_robot_base_frame": [ x, y, z, rx, ry, rz ],
#robot flange frame orientation [x/y/z]
"flange_frame_orientation": "z"
}
Palletizer (four-axis palletizing robot)
Axes |
Four |
Configuration name |
Palletizer |
Description |
Four-axis palletizing robot |
DH parameters |
|
Reference frame and axis No. |
|
Correlation between link and reference frame |
0: Reference frame 0, 1 |
1: Reference frame 0, 1 |
|
2: Reference frame 2 |
|
3: Reference frame 3 |
|
4: Reference frame 4 |
|
5: Reference frame 5 |
|
A0: Reference frame 2 |
|
A1: Reference frame A1 |
|
B0: Reference frame B0 |
|
B1: Reference frame 3 |
|
B2: Reference frame B2 |
|
Classification of axes |
Wrist: 4, 5 |
Forearm: 3, B2, B1 |
|
Upper arm: 2, A1, B0 |
|
Base: 0, 1, A0 |
|
Robot model list |
ABB IRB660 180 315, FANUC M-410iC 110, YASKAWA MPL800II |
[robot]_algo example
{
"algo_type": "Palletizer",
#DH parameters [meter]
"dh": [ A, B, C, E, K, F ],
"dhPassive": [ A1X, A1Z, B0X, B0Z, B2X, B2Z ],
#joint limits [degree]
"min_limits": [ J1 min, J2 min, J3 min, J4 min ],
"max_limits": [ J1 max, J2 max, J3 max, J4 max ],
"link3_dynamic_limits": [Min, Max],
#joint positions at standard pose [degree]
"mastering_joints": [ J1, J2, J3, J4 ],
#joint orientations [0/1]
"axis_flip": "J1J2J3J4",
#robot base location [meter,meter,meter,degree,degree,degree]. If robot has not been moved, robot base frame equals to World frame.
"robot_frame_in_robot_base_frame": [ x, y, z, rx, ry, rz ],
#robot flange frame orientation [x/y/z]
"flange_frame_orientation": "z"
}
Palletizer_KAWASAKI_CP180L_Like (four-axis palletizing robot with a positive Z-direction offset (D) on the J3)
Axes |
Four |
Configuration name |
Palletizer_KAWASAKI_CP180L_Like |
Description |
Four-axis palletizing robot with a positive Z-direction offset (D) on the J3 |
DH parameters |
|
Reference frame and axis No. |
|
Correlation between link and reference frame |
0: Reference frame 0, 1 |
1: Reference frame 0, 1 |
|
2: Reference frame 2 |
|
3: Reference frame 3 |
|
4: Reference frame 4 |
|
5: Reference frame 5 |
|
B0: Reference frame B0 |
|
B1: Reference frame 3 |
|
B2: Reference frame B2 |
|
Classification of axes |
Wrist: 4, 5 |
Forearm: 3, B2, B1 |
|
Upper arm: 2, B0 |
|
Base: 0, 1 |
|
Robot model list |
KAWASAKI CP130L, 180L, 300L, 500L, 700L, FANUC M-410iB 450 |
[robot]_algo example
{
"algo_type": "Palletizer_KAWASAKI_CP180L_Like",
#DH parameters [meter]
"dh": [ A, B, C, D, E, K, F ],
"dhPassive": [ A1X, A1Z, B0X, B0Z, B2X, B2Z ],
#joint limits [degree]
"min_limits": [ J1 min, J2 min, J3 min, J4 min ],
"max_limits": [ J1 max, J2 max, J3 max, J4 max ],
"link3_dynamic_limits": [Min, Max],
#joint positions at standard pose [degree]
"mastering_joints": [ J1, J2, J3, J4 ],
#joint orientations [0/1]
"axis_flip": "J1J2J3J4",
#robot base location [meter,meter,meter,degree,degree,degree]. If robot has not been moved, robot base frame equals to World frame.
"robot_frame_in_robot_base_frame": [ x, y, z, rx, ry, rz ],
#robot flange frame orientation [x/y/z]
"flange_frame_orientation": "z"
}
Scara_FourAxis_Translation_1st (four-axis palletizing robot with a positive Z-direction offset (D) on the J3)
Axes |
Four |
Configuration name |
Scara_FourAxis_Translation_1st |
Description |
Four-axis SCARA robots with axis 1 as translation axis |
DH parameters |
|
Reference frame and axis No. |
|
Correlation between link and reference frame |
0: Reference frame 0, 1 |
1: Reference frame 0, 1 |
|
2: Reference frame 2 |
|
3: Reference frame 3 |
|
4: Reference frame 4 |
|
Classification of axes |
Wrist: 4 |
Forearm: 3 |
|
Upper arm: 2 |
|
Base: 0, 1 |
|
Robot model list |
HITBOT Z-Arm 2442 |
[robot]_algo example
{
"algo_type": "Scara_FourAxis_Translation_1st",
#DH parameters [meter]
"dh": [ A, B, C, D, E ],
#joint limits [millimeter,degree,degree,degree]
"min_limits": [ J1 min, J2 min, J3 min, J4 min ],
"max_limits": [ J1 max, J2 max, J3 max, J4 max ],
#joint positions at standard pose [meter,degree,degree,degree]
"mastering_joints": [ J1, J2, J3, J4 ],
#joint orientations [0/1]
"axis_flip": "J1J2J3J4",
#robot base location [meter,meter,meter,degree,degree,degree]. If robot has not been moved, robot base frame equals to World frame.
"robot_frame_in_robot_base_frame": [ x, y, z, rx, ry, rz ],
#robot flange frame orientation [x/y/z]
"flange_frame_orientation": "z"
}
Scara_FourAxis (four-axis SCARA robots)
Axes |
Four |
Configuration name |
Scara_FourAxis |
Description |
Four-axis SCARA |
DH parameters |
|
Reference frame and axis No. |
|
Correlation between link and reference frame |
0: Reference frame 0, 1 |
1: Reference frame 0, 1 |
|
2: Reference frame 2 |
|
3: Reference frame 3 |
|
Classification of axes |
Wrist: 3 |
Forearm: 2 |
|
Upper arm: 1 |
|
Base: 0 |
|
Robot model list |
ADTECH AR6215 |
[robot]_algo example
{
"algo_type": "Scara_FourAxis",
#DH parameters [meter]
"dh": [ A, B, C, D, E ],
#joint limits [degree,degree,millimeter,degree]
"min_limits": [ J1 min, J2 min, J3 min, J4 min ],
"max_limits": [ J1 max, J2 max, J3 max, J4 max ],
#joint positions at standard pose [degree,degree,meter,degree]
"mastering_joints": [ J1, J2, J3, J4 ],
#joint orientations [0/1]
"axis_flip": "J1J2J3J4",
#robot base location [meter,meter,meter,degree,degree,degree]. If robot has not been moved, robot base frame equals to World frame.
"robot_frame_in_robot_base_frame": [ x, y, z, rx, ry, rz ],
#robot flange frame orientation [x/y/z]
"flange_frame_orientation": "z"
}



















