View Trend Charts

This section introduces how to view and use the trend chart analysis feature.

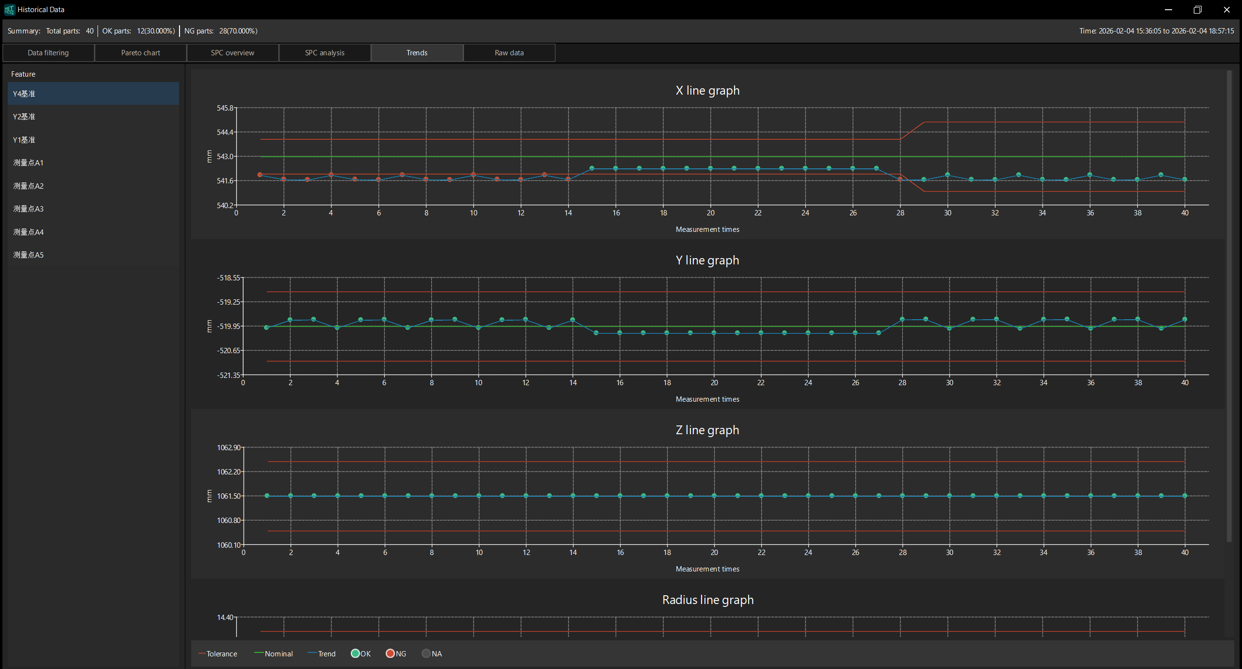
Trend Charts

The trend chart displays the trend of the measurement data of each measurement feature along with the number of measurements in the form of a line chart, which helps you visualize the fluctuation and trend of the measured values.

Before viewing the trend chart, please complete the following actions:

  1. In the upper ribbon, select Analysis and Compensation  Historical Data.

  2. In the Data filtering tab, complete data filtering and select measurement records. For details, refer to Filter, View, and Export Historical Data.

  3. Click the Trends tab at the top of the page.

trends

The left panel on the page displays a list of measurement features, which lists all the measurement features of the current part, such as Y4 reference, Y2 reference, Y1 reference, and measurement points A1 to A5.

Click a measurement feature, and the right panel displays the trend line graphs of each measurement sub-item (such as X, Y, Z, Radius).

Each measurement sub-item is displayed in an individual line graph. The horizontal axis is measurement times, and the vertical axis is the measured value. The figure contains the following elements:

  • Tolerance (red line): Upper and lower tolerance limits. If the measured value exceeds this range, it is unqualified.

  • Nominal (green line): the nominal value of the measurement sub-item.

  • Trend (blue line): Connect the measured values for each measurement to show the trend of data changes.

Data points mark measurement results in different colors:

  • OK (green dot): The measurement result is qualified.

  • NG (red dot): The measurement result is unqualified.

  • NA (gray dot): No measurement result.

Hover the cursor over a data point in the line graph to view the specific data of that point, such as measurement task, measurement time, nominal value, and measured value.

Is this page helpful?

You can give a feedback in any of the following ways:

We Value Your Privacy

We use cookies to provide you with the best possible experience on our website. By continuing to use the site, you acknowledge that you agree to the use of cookies. If you decline, a single cookie will be used to ensure you're not tracked or remembered when you visit this website.