特殊构型列表
OffsetWrist_Y_SixAxis_FANUC_CRX_10IA_Like J5在-y方向上有偏置(L)
| 轴数 | 六轴 | 
| 构型名称 | OffsetWrist_Y_SixAxis_FANUC_CRX_10IA_Like | 
| 构型描述 | J5在-y方向上有偏置(L) | 
| DH参数图 | 
 | 
| 坐标系各轴名称 | 
 | 
| 连杆、坐标系对应关系 | 0:坐标系0、1 | 
| 1:坐标系0、1 | |
| 2:坐标系2 | |
| 3:坐标系3、4 | |
| 4:坐标系3、4 | |
| 5:坐标系5 | |
| 6:坐标系6 | |
| 各轴划分 | 腕部:5、6 | 
| 小臂:3、4 | |
| 大臂:2 | |
| 底座:0、1 | |
| 机型列表 | FANUC CRX-10iA、FANUC CRX-10iAL、YASKAWA HC10 | 
[robot]_algo样例
{
	"algo_type": "OffsetWrist_Y_SixAxis_FANUC_CRX_10IA_Like",
	#DH parameters [meter]
	"dh": [ A, C, E, F, -L ],
	#joint limits [degree]
	"min_limits": [ J1 min, J2 min, J3 min, J4 min, J5 min, J6 min ],
	"max_limits": [ J1 max, J2 max, J3 max, J4 max, J5 max, J6 max ],
	#joint positions at standard pose [degree]
	"mastering_joints": [ J1, J2, J3, J4, J5, J6 ],
	#joint orientations [0/1]
	"axis_flip": "J1J2J3J4J5J6",
	#robot base location [meter,meter,meter,degree,degree,degree]. If robot has not been moved, robot base frame equals to World frame.
	"robot_frame_in_robot_base_frame": [ x, y, z, rx, ry, rz ],
	#robot flange frame orientation [x/y/z]
	"flange_frame_orientation": "z"
}OffsetWrist_Y_SixAxis_Rokae_SR4_LikeJ2 在+x方向上有偏置(G)、J5在-y方向上有偏置(L)
| 轴数 | 六轴 | 
| 构型名称 | OffsetWrist_Y_SixAxis_Rokae_SR4_Like | 
| 构型描述 | J2在+x方向上有偏置(G)、J5在-y方向上有偏置(L) | 
| DH参数图 | 
 | 
| 坐标系各轴名称 | 
 | 
| 连杆、坐标系对应关系 | 0:坐标系0、1 | 
| 1:坐标系0、1 | |
| 2:坐标系2 | |
| 3:坐标系3 | |
| 4:坐标系4 | |
| 5:坐标系5 | |
| 6:坐标系6 | |
| 各轴划分 | 腕部:5、6 | 
| 小臂:3、4 | |
| 大臂:2 | |
| 底座:0、1 | |
| 机型列表 | Rokae SR3、SR4 | 
[robot]_algo样例
{
	"algo_type": "OffsetWrist_Y_SixAxis_ROKAE_SR4_Like",
	#DH parameters [meter]
	"dh": [ A, C, D, G, E, F, -L ],
	#joint limits [degree]
	"min_limits": [ J1 min, J2 min, J3 min, J4 min, J5 min, J6 min ],
	"max_limits": [ J1 max, J2 max, J3 max, J4 max, J5 max, J6 max ],
	#joint positions at standard pose [degree]
	"mastering_joints": [ J1, J2, J3, J4, J5, J6 ],
	#joint orientations [0/1]
	"axis_flip": "J1J2J3J4J5J6",
	#robot base location [meter,meter,meter,degree,degree,degree]. If robot has not been moved, robot base frame equals to World frame.
	"robot_frame_in_robot_base_frame": [ x, y, z, rx, ry, rz ],
	#robot flange frame orientation [x/y/z]
	"flange_frame_orientation": "z"
}OffsetWrist_Y_SixAxis_DENSO_COBOTTA_PRO_1300_Like J3在-y方向上有偏置(H)、J5在+y方向上有偏置(L)
| 轴数 | 六轴 | 
| 构型名称 | OffsetWrist_Y_SixAxis_DENSO_COBOTTA_PRO_1300_Like | 
| 构型描述 | J3在-y方向上有偏置(H)、J5在+y方向上有偏置(L) | 
| DH参数图 | 
 | 
| 坐标系各轴名称 | 
 | 
| 连杆、坐标系对应关系 | 0:坐标系0、1 | 
| 1:坐标系0、1 | |
| 2:坐标系2 | |
| 3:坐标系3、4 | |
| 4:坐标系3、4 | |
| 5:坐标系5 | |
| 6:坐标系6 | |
| 各轴划分 | 腕部:5、6 | 
| 小臂:3、4 | |
| 大臂:2 | |
| 底座:0、1 | |
| 机型列表 | Denso COBOTTA PRO 900、COBOTTA PRO 1300 | 
[robot]_algo样例
{
	"algo_type": "OffsetWrist_Y_SixAxis_DENSO_COBOTTA_PRO_1300_Like",
	#DH parameters [meter]
	"dh": [ A, C, E, F, -H, L ],
	#joint limits [degree]
	"min_limits": [ J1 min, J2 min, J3 min, J4 min, J5 min, J6 min ],
	"max_limits": [ J1 max, J2 max, J3 max, J4 max, J5 max, J6 max ],
	#joint positions at standard pose [degree]
	"mastering_joints": [ J1, J2, J3, J4, J5, J6 ],
	#joint orientations [0/1]
	"axis_flip": "J1J2J3J4J5J6",
	#robot base location [meter,meter,meter,degree,degree,degree]. If robot has not been moved, robot base frame equals to World frame.
	"robot_frame_in_robot_base_frame": [ x, y, z, rx, ry, rz ],
	#robot flange frame orientation [x/y/z]
	"flange_frame_orientation": "z"
}OffsetWrist_Y_SixAxis_DENSO_COBOTTA_Like J3在+y、+z方向上有偏置(H、D)、J5在-y方向上有偏置(L)
| 轴数 | 六轴 | 
| 构型名称 | OffsetWrist_Y_SixAxis_DENSO_COBOTTA_Like | 
| 构型描述 | J3在+y、+z方向上有偏置(H、D)、J5在-y方向上有偏置(L) | 
| DH参数图 | 
 | 
| 坐标系各轴名称 | 
 | 
| 连杆、坐标系对应关系 | 0:坐标系0、1 | 
| 1:坐标系0、1 | |
| 2:坐标系2 | |
| 3:坐标系3、4 | |
| 4:坐标系3、4 | |
| 5:坐标系5 | |
| 6:坐标系6 | |
| 各轴划分 | 腕部:5、6 | 
| 小臂:3、4 | |
| 大臂:2 | |
| 底座:0、1 | |
| 机型列表 | Denso COBOTTA | 
[robot]_algo样例
{
	"algo_type": "OffsetWrist_Y_SixAxis_DENSO_COBOTTA_Like",
	#DH parameters [meter]
	"dh": [ A, C, D, E, F, H, -L ],
	#joint limits [degree]
	"min_limits": [ J1 min, J2 min, J3 min, J4 min, J5 min, J6 min ],
	"max_limits": [ J1 max, J2 max, J3 max, J4 max, J5 max, J6 max ],
	#joint positions at standard pose [degree]
	"mastering_joints": [ J1, J2, J3, J4, J5, J6 ],
	#joint orientations [0/1]
	"axis_flip": "J1J2J3J4J5J6",
	#robot base location [meter,meter,meter,degree,degree,degree]. If robot has not been moved, robot base frame equals to World frame.
	"robot_frame_in_robot_base_frame": [ x, y, z, rx, ry, rz ],
	#robot flange frame orientation [x/y/z]
	"flange_frame_orientation": "z"
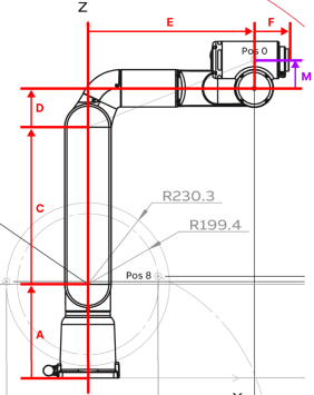
}OffsetWrist_Z_SixAxis_ABB_CRB15000_Like J5在+z方向上有偏置(M)
| 轴数 | 六轴 | 
| 构型名称 | OffsetWrist_Z_SixAxis_ABB_CRB15000_Like | 
| 构型描述 | J5在+z方向上有偏置(M) | 
| DH参数图 | 
 | 
| 坐标系各轴名称 | 
 | 
| 连杆、坐标系对应关系 | 0:坐标系0、1 | 
| 1:坐标系0、1 | |
| 2:坐标系2 | |
| 3:坐标系3、4 | |
| 4:坐标系3、4 | |
| 5:坐标系5 | |
| 6:坐标系6 | |
| 各轴划分 | 腕部:5、6 | 
| 小臂:3、4 | |
| 大臂:2 | |
| 底座:0、1 | |
| 机型列表 | ABB CRB15000-5/0.95 | 
[robot]_algo样例
{
	"algo_type": "OffsetWrist_Z_SixAxis_ABB_CRB15000_5_0_95_Like",
	#DH parameters [meter]
	"dh": [ A, C, D, E, F, M ],
	#joint limits [degree]
	"min_limits": [ J1 min, J2 min, J3 min, J4 min, J5 min, J6 min ],
	"max_limits": [ J1 max, J2 max, J3 max, J4 max, J5 max, J6 max ],
	#joint positions at standard pose [degree]
	"mastering_joints": [ J1, J2, J3, J4, J5, J6 ],
	#joint orientations [0/1]
	"axis_flip": "J1J2J3J4J5J6",
	#robot base location [meter,meter,meter,degree,degree,degree]. If robot has not been moved, robot base frame equals to World frame.
	"robot_frame_in_robot_base_frame": [ x, y, z, rx, ry, rz ],
	#robot flange frame orientation [x/y/z]
	"flange_frame_orientation": "z"
}








