查看趋势图

本部分介绍如何查看和使用趋势图分析功能。

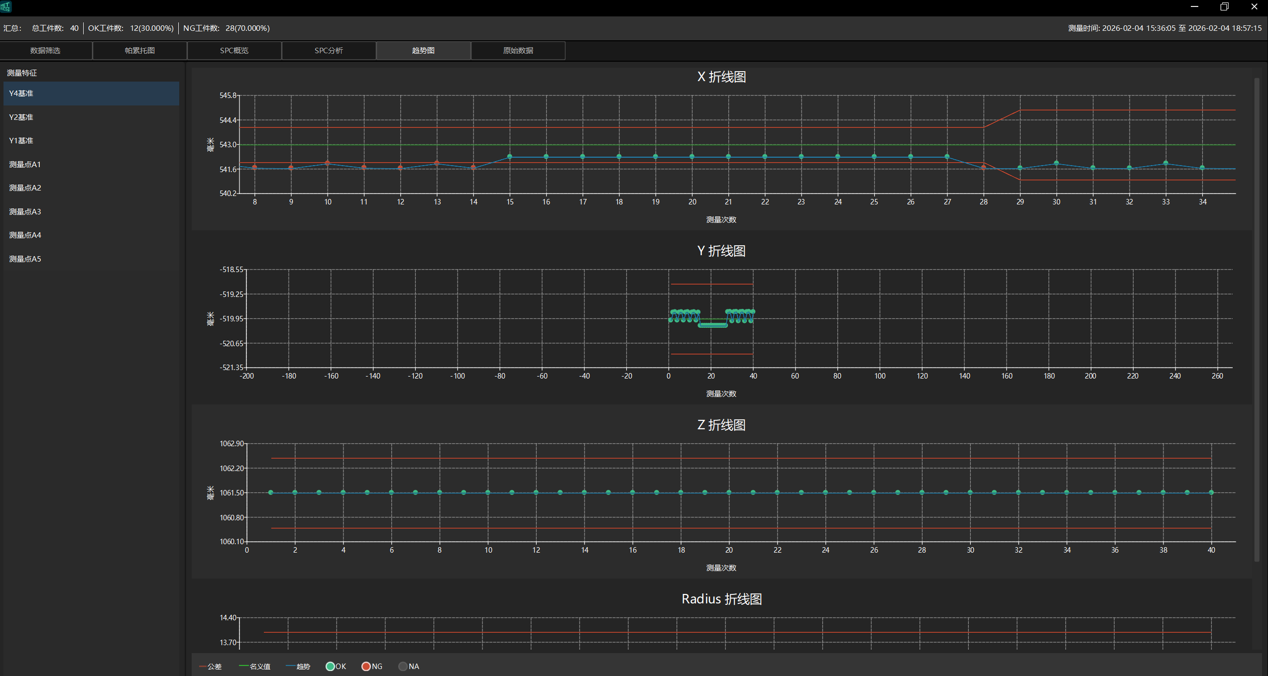
趋势图

趋势图以折线图的形式展示各测量特征的测量数据随测量次数的变化趋势,帮助用户直观观察测量值的波动和走势。

在查看趋势图前,需先完成以下操作:

  1. 在软件上方功能区,选择分析和补偿  历史数据

  2. 数据筛选选项卡中完成数据筛选并选择测量记录。详情请参见 筛选、查看和导出历史数据

  3. 单击页面顶部的趋势图选项卡。

trends

页面左侧展示测量特征列表,列出当前工件的所有测量特征(如 Y4 基准、Y2 基准、Y1 基准、测量点 A1~A5 等)。

单击某个测量特征,右侧将展示该特征各测量子项(如 X、Y、Z、Radius)的趋势折线图。

每个测量子项以独立的折线图展示,横轴为测量次数,纵轴为测量值。图中包含以下元素:

  • 公差(红色线):上下公差限,测量值超出此范围为不合格。

  • 名义值(绿色线):该测量子项的名义值。

  • 趋势(蓝色线):各测量次数对应的测量值连线,展示数据变化趋势。

数据点以不同颜色标识测量结果:

  • OK(绿色点):测量结果合格。

  • NG(红色点):测量结果不合格。

  • NA(灰色点):无测量结果。

可将鼠标光标悬停在折线图中的数据点上,查看该点的具体数据,如测量任务、测量时间、名义值、测量值等。

该页面是否有帮助?

可以通过以下方式反馈意见:

我们重视您的隐私

我们使用 cookie 为您在我们的网站上提供最佳体验。继续使用该网站即表示您同意使用 cookie。如果您拒绝,将使用一个单独的 cookie 来确保您在访问本网站时不会被跟踪或记住。