特殊构型列表
OffsetWrist_Y_SixAxis_FANUC_CRX_10IA_Like J5在-y方向上有偏置(L)
轴数 |
六轴 |
构型名称 |
OffsetWrist_Y_SixAxis_FANUC_CRX_10IA_Like |
构型描述 |
J5在-y方向上有偏置(L) |
DH参数图 |
|
坐标系各轴名称 |
|
连杆、坐标系对应关系 |
0:坐标系0、1 |
1:坐标系0、1 |
|
2:坐标系2 |
|
3:坐标系3、4 |
|
4:坐标系3、4 |
|
5:坐标系5 |
|
6:坐标系6 |
|
各轴划分 |
腕部:5、6 |
小臂:3、4 |
|
大臂:2 |
|
底座:0、1 |
|
机型列表 |
FANUC CRX-10iA、FANUC CRX-10iAL、YASKAWA HC10 |
[robot]_algo样例
{
"algo_type": "OffsetWrist_Y_SixAxis_FANUC_CRX_10IA_Like",
#DH parameters [meter]
"dh": [ A, C, E, F, -L ],
#joint limits [degree]
"min_limits": [ J1 min, J2 min, J3 min, J4 min, J5 min, J6 min ],
"max_limits": [ J1 max, J2 max, J3 max, J4 max, J5 max, J6 max ],
#joint positions at standard pose [degree]
"mastering_joints": [ J1, J2, J3, J4, J5, J6 ],
#joint orientations [0/1]
"axis_flip": "J1J2J3J4J5J6",
#robot base location [meter,meter,meter,degree,degree,degree]. If robot has not been moved, robot base frame equals to World frame.
"robot_frame_in_robot_base_frame": [ x, y, z, rx, ry, rz ],
#robot flange frame orientation [x/y/z]
"flange_frame_orientation": "z"
}
OffsetWrist_Y_SixAxis_Rokae_SR4_LikeJ2 在+x方向上有偏置(G)、J5在-y方向上有偏置(L)
轴数 |
六轴 |
构型名称 |
OffsetWrist_Y_SixAxis_Rokae_SR4_Like |
构型描述 |
J2在+x方向上有偏置(G)、J5在-y方向上有偏置(L) |
DH参数图 |
|
坐标系各轴名称 |
|
连杆、坐标系对应关系 |
0:坐标系0、1 |
1:坐标系0、1 |
|
2:坐标系2 |
|
3:坐标系3 |
|
4:坐标系4 |
|
5:坐标系5 |
|
6:坐标系6 |
|
各轴划分 |
腕部:5、6 |
小臂:3、4 |
|
大臂:2 |
|
底座:0、1 |
|
机型列表 |
Rokae SR3、SR4 |
[robot]_algo样例
{
"algo_type": "OffsetWrist_Y_SixAxis_ROKAE_SR4_Like",
#DH parameters [meter]
"dh": [ A, C, D, G, E, F, -L ],
#joint limits [degree]
"min_limits": [ J1 min, J2 min, J3 min, J4 min, J5 min, J6 min ],
"max_limits": [ J1 max, J2 max, J3 max, J4 max, J5 max, J6 max ],
#joint positions at standard pose [degree]
"mastering_joints": [ J1, J2, J3, J4, J5, J6 ],
#joint orientations [0/1]
"axis_flip": "J1J2J3J4J5J6",
#robot base location [meter,meter,meter,degree,degree,degree]. If robot has not been moved, robot base frame equals to World frame.
"robot_frame_in_robot_base_frame": [ x, y, z, rx, ry, rz ],
#robot flange frame orientation [x/y/z]
"flange_frame_orientation": "z"
}
OffsetWrist_Y_SixAxis_DENSO_COBOTTA_PRO_1300_Like J3在-y方向上有偏置(H)、J5在+y方向上有偏置(L)
轴数 |
六轴 |
构型名称 |
OffsetWrist_Y_SixAxis_DENSO_COBOTTA_PRO_1300_Like |
构型描述 |
J3在-y方向上有偏置(H)、J5在+y方向上有偏置(L) |
DH参数图 |
|
坐标系各轴名称 |
|
连杆、坐标系对应关系 |
0:坐标系0、1 |
1:坐标系0、1 |
|
2:坐标系2 |
|
3:坐标系3、4 |
|
4:坐标系3、4 |
|
5:坐标系5 |
|
6:坐标系6 |
|
各轴划分 |
腕部:5、6 |
小臂:3、4 |
|
大臂:2 |
|
底座:0、1 |
|
机型列表 |
Denso COBOTTA PRO 900、COBOTTA PRO 1300 |
[robot]_algo样例
{
"algo_type": "OffsetWrist_Y_SixAxis_DENSO_COBOTTA_PRO_1300_Like",
#DH parameters [meter]
"dh": [ A, C, E, F, -H, L ],
#joint limits [degree]
"min_limits": [ J1 min, J2 min, J3 min, J4 min, J5 min, J6 min ],
"max_limits": [ J1 max, J2 max, J3 max, J4 max, J5 max, J6 max ],
#joint positions at standard pose [degree]
"mastering_joints": [ J1, J2, J3, J4, J5, J6 ],
#joint orientations [0/1]
"axis_flip": "J1J2J3J4J5J6",
#robot base location [meter,meter,meter,degree,degree,degree]. If robot has not been moved, robot base frame equals to World frame.
"robot_frame_in_robot_base_frame": [ x, y, z, rx, ry, rz ],
#robot flange frame orientation [x/y/z]
"flange_frame_orientation": "z"
}
OffsetWrist_Y_SixAxis_DENSO_COBOTTA_Like J3在+y、+z方向上有偏置(H、D)、J5在-y方向上有偏置(L)
轴数 |
六轴 |
构型名称 |
OffsetWrist_Y_SixAxis_DENSO_COBOTTA_Like |
构型描述 |
J3在+y、+z方向上有偏置(H、D)、J5在-y方向上有偏置(L) |
DH参数图 |
|
坐标系各轴名称 |
|
连杆、坐标系对应关系 |
0:坐标系0、1 |
1:坐标系0、1 |
|
2:坐标系2 |
|
3:坐标系3、4 |
|
4:坐标系3、4 |
|
5:坐标系5 |
|
6:坐标系6 |
|
各轴划分 |
腕部:5、6 |
小臂:3、4 |
|
大臂:2 |
|
底座:0、1 |
|
机型列表 |
Denso COBOTTA |
[robot]_algo样例
{
"algo_type": "OffsetWrist_Y_SixAxis_DENSO_COBOTTA_Like",
#DH parameters [meter]
"dh": [ A, C, D, E, F, H, -L ],
#joint limits [degree]
"min_limits": [ J1 min, J2 min, J3 min, J4 min, J5 min, J6 min ],
"max_limits": [ J1 max, J2 max, J3 max, J4 max, J5 max, J6 max ],
#joint positions at standard pose [degree]
"mastering_joints": [ J1, J2, J3, J4, J5, J6 ],
#joint orientations [0/1]
"axis_flip": "J1J2J3J4J5J6",
#robot base location [meter,meter,meter,degree,degree,degree]. If robot has not been moved, robot base frame equals to World frame.
"robot_frame_in_robot_base_frame": [ x, y, z, rx, ry, rz ],
#robot flange frame orientation [x/y/z]
"flange_frame_orientation": "z"
}
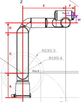
OffsetWrist_Z_SixAxis_ABB_CRB15000_Like J5在+z方向上有偏置(M)
轴数 |
六轴 |
构型名称 |
OffsetWrist_Z_SixAxis_ABB_CRB15000_Like |
构型描述 |
J5在+z方向上有偏置(M) |
DH参数图 |
|
坐标系各轴名称 |
|
连杆、坐标系对应关系 |
0:坐标系0、1 |
1:坐标系0、1 |
|
2:坐标系2 |
|
3:坐标系3、4 |
|
4:坐标系3、4 |
|
5:坐标系5 |
|
6:坐标系6 |
|
各轴划分 |
腕部:5、6 |
小臂:3、4 |
|
大臂:2 |
|
底座:0、1 |
|
机型列表 |
ABB CRB15000-5/0.95 |
[robot]_algo样例
{
"algo_type": "OffsetWrist_Z_SixAxis_ABB_CRB15000_5_0_95_Like",
#DH parameters [meter]
"dh": [ A, C, D, E, F, M ],
#joint limits [degree]
"min_limits": [ J1 min, J2 min, J3 min, J4 min, J5 min, J6 min ],
"max_limits": [ J1 max, J2 max, J3 max, J4 max, J5 max, J6 max ],
#joint positions at standard pose [degree]
"mastering_joints": [ J1, J2, J3, J4, J5, J6 ],
#joint orientations [0/1]
"axis_flip": "J1J2J3J4J5J6",
#robot base location [meter,meter,meter,degree,degree,degree]. If robot has not been moved, robot base frame equals to World frame.
"robot_frame_in_robot_base_frame": [ x, y, z, rx, ry, rz ],
#robot flange frame orientation [x/y/z]
"flange_frame_orientation": "z"
}









