轮廓测量仪线缆敷设与接线规范
本文介绍轮廓测量仪(含感测头和控制器)线缆敷设和接线规范。
轮廓测量仪线缆敷设规范
折弯半径规范
定义
折弯半径是指线缆弯曲时线缆外边缘到弯曲中心的距离。
要求
-
折弯半径应不小于线缆的8倍外直径(8D)。走线时需严格执行,避免过度弯曲。
-
推荐轮廓测量仪线缆折弯半径不小于6cm。
-
尤其注意感测头和控制器接口连接处,线缆航插头到线缆折弯处应大于13cm。
示例

线缆固定规范
定义
线缆固定是指通过合理的支撑与固定措施,确保线缆在敷设与运行过程中稳定可靠,不受移动、拉伸或磨损的影响。
要求
线缆航插头到线缆扭转点应设置一个固定承重点,将线缆牢固固定,避免线缆或者轮廓测量仪运动过程中使航插头连接处受力导致松动。此外,航插头到固定承重点的距离不少于13cm。
示例

此外,如果需要绑扎线缆,请遵循以下要求:
-
绑扎后的线缆应紧密排列,外观整洁,无外皮损伤。
-
绑扎线扣时,确保线扣头朝向一致,相同位置的线扣应处于同一水平线上,并且线扣头应修剪平整。
-
线缆绑成束时,线缆束的扎带间距应为线缆束直径的3~4倍,且保持均匀分布。
线缆保护规范
定义
线缆保护是指通过使用各种保护措施,以确保线缆在敷设和使用过程中免受外部环境或机械应力的损害。
要求
-
敷设过程中,应避免线缆相互交叉和与其他尖锐物体摩擦,以减少磨损,延长线缆使用寿命。
-
在容易受损的区域,使用防护套管进一步保护线缆免受物理损伤。在尖锐拐角,使用缠绕线管保护,但不要使用轧带固定,否则可能导致缠绕线管和线缆磨损。
示例
正确 | 错误 |
---|---|
![]() |
![]() |
管线包或坦克链内走线要求
在敷设线缆时,管线包和拖链(坦克链)是两种常见的线缆保护装置。在管线包或坦克链内走线时,还应遵守下文的要求。
|
-
避免在内部固定线材
在管线包或坦克链内部,应避免将线缆固定在内部结构上,以保证线缆具有足够的自由度进行活动和弯曲,避免限制其正常运动。具体固定方式可参考下图。
-
在入口固定线缆以防止摩擦
线缆在管线包或坦克链的入口应该固定,禁止线缆之间相互摩擦。
-
保证坦克链部分不随轮廓测量仪移动
一般要求坦克链至少应保证3到4节不随轮廓测量仪移动。
-
避免坦克链中线缆承受附加张力
在坦克链中走线时,应避免线缆承受过多的附加张力。线缆不能拉得太紧(如下左图),也不能过松(如下右图)。拉得太紧或过松都会与坦克链内壁摩擦,导致保护套磨损;过松还容易引发缠绕问题。此外,如果线缆的移动部分被固定,会导致弯曲应力无法被分散及吸收,会在固定位置造成应力集中。因此,线缆的固定部位应在坦克链的两端。
-
防止坦克链中线缆互相干扰
在坦克链中走线时,为了防止线缆相互干扰,线缆不能重叠,而应实施水平走线。在实施水平走线时,确保线缆之间有足够的间隙。在坦克链内,线缆间的间隙应至少为线缆直径的10%,以保证每根线缆都有足够的空间,不会相互接触或摩擦。
-
避免波纹管内线缆打结与缠绕
在波纹管内走线时,确保线缆不打结或互相缠绕,从而避免因线缆缠绕造成的摩擦或损伤。
轮廓测量仪接线规范
为了能够正常使用轮廓测量仪,需要为轮廓测量仪正确接线,主要包括感测头与控制器、控制器与导轨电源、控制器与外部IO设备和编码器之间的接线。
感测头与控制器接线
请参考硬件用户手册,使用相机包装中的感测头到控制器连接线,连接感测头和控制器。在接线时,还应注意如下要求。
考虑到线缆接头的拆卸和安装要求,在安装轮廓测量仪时线缆接头预留空间应满足如下要求:
-
直头:H1 ≥ 130mm
-
弯头:H2 ≥ 110mm;L ≥ 70mm

感测头到控制器连接线的弯头用于连接感测头,直头用于连接控制器。线缆的接头均为M12航插头。 |
另外,在安装航插头时,线缆航插头应边旋转紧固螺母边推进直到完全拧紧,确保连接后不松动。航插头拧紧后,螺纹间隙(L)不大于2mm。

控制器与导轨电源接线
请参考硬件用户手册,使用相机包装中的控制器DC电源线,连接控制器和导轨电源。在接线时,还应注意如下要求。
-
确保控制器DC电源线的散线头插入接线端子中的深度足够,深度大于等于9mm。
-
接地线连接完成后,请使用万用表的欧姆档测量机台接地点与控制器/感测头测试点的电阻,保证接地电阻不超过1Ω。
控制器/感测头的电阻测试点如下图所示(①和②)。
控制器与外部IO设备和编码器接线
轮廓测量仪支持外部触发,即通过从外部设备输入的信号触发每轮数据采集。此外,轮廓测量仪支持通过编码器信号触发每次行扫描。为了能够正常触发轮廓测量仪,需要正确连接控制器与外部IO设备和编码器。
请参考硬件用户手册,将信号线缆接入信号端子。在接线时,还应注意如下要求。
连接输入信号端子
通过将外部设备的信号线连接至控制器的对应输入信号端子,可以实现外部设备控制轮廓测量仪进行数据采集。
轮廓测量仪支持多种通过外部设备信号控制数据采集方式。根据使用的通过外部设备信号控制数据采集方式不同,输入信号端子连接要求不同。详细信息,请参考通过外部设备控制数据采集。
连接输出信号端子
通过将外部设备的信号线连接至控制器的对应输出信号端子,可以为外部设备输出轮廓测量仪的数据采集状态信号或者通过API自定义的信号。
请参照如下连接示意图连接控制器的输出信号端子。

|
连接编码器信号端子
轮廓测量仪支持通过编码器信号触发每次行扫描。轮廓测量仪支持将差分编码器和单端编码器的信号接入控制器的编码器信号端子。
|
单端编码器
请参照如下示意图连接单端编码器导线到控制器的编码器信号端子。
信号源类型 | 电源电压 | 连接示意图 |
---|---|---|
NPN型 |
5V |
![]() |
12V |
![]() |
|
24V |
![]() |
|
PNP型 |
5V |
![]() |
12V |
![]() |
|
24V |
![]() |
|
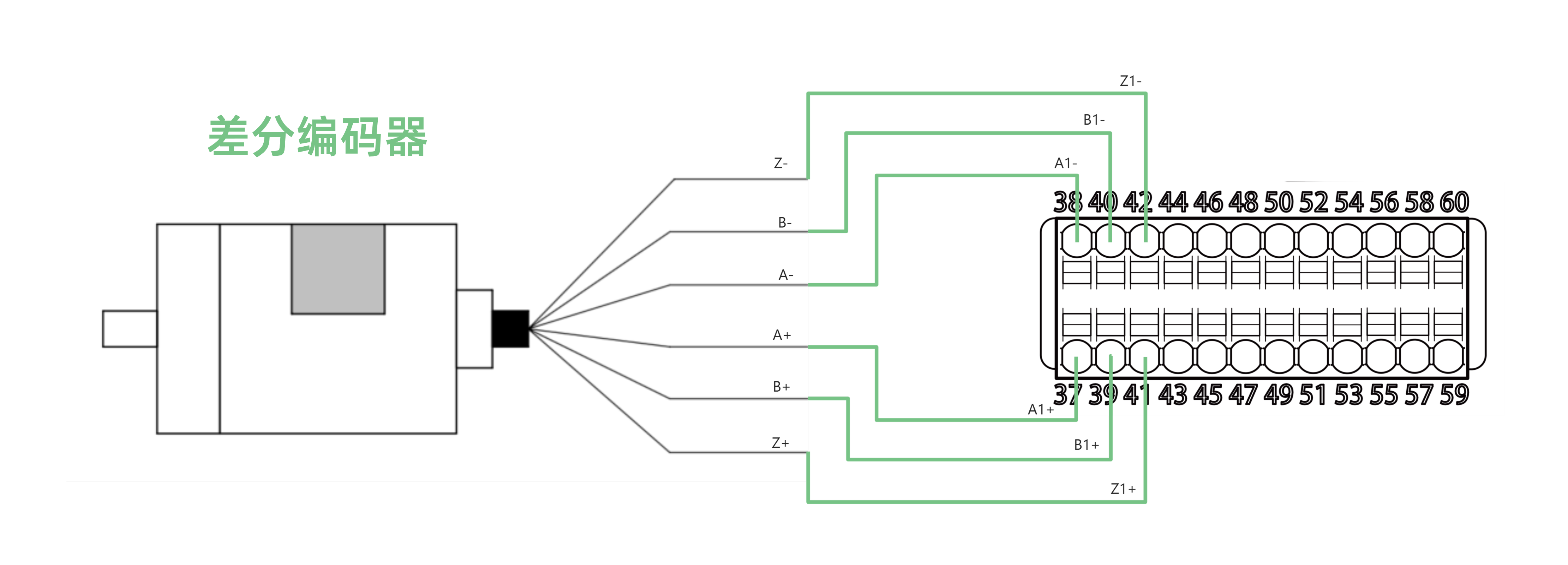
差分编码器
请参照如下示意图连接差分编码器导线到控制器的编码器信号端子。

|