主控通信配置

您正在查看最新版本(V2.1.2)的文档。如果您想查阅其他版本的文档,可以点击页面右上角“切换版本”按钮进行切换。

■ 如果您不确定当前使用的产品是哪个版本,请随时联系梅卡曼德技术支持

本节介绍如何主控 AUBO 机器人。

准备工作

检查机器人系统版本

本文所列的型号与版本是适配时所用的型号与版本。对于其他型号与版本,用户可参考本文尝试操作,若遇到问题,请联系梅卡曼德技术支持。

  • 机器人系统版本:4.5.44。

    单击示教器屏幕上的关于  版本,在 Server Version 一栏便可查看机器人系统版本。

建立网络连接

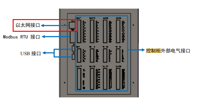
硬件连接

将工控机网线另一端连接到机器人控制柜的以太网接口。

control cabinet

设置 IP 地址

依次单击设置  系统  网络,在网络配置界面配置指定网卡名称及其 IP 地址、子网掩码、网关。机器人 IP 应与工控机 IP 设置在同一网段下。设置完后,单击 保存 ,并重启机器人。

set ip

测试主控通信

创建Mech-Viz工程

  1. 打开Mech-Viz软件,按下键盘上 Ctrl + N(新建工程)。在如下界面中,根据真实机器人的品牌和型号,选择对应的机器人模型。

    Unnamed image
  2. 按下键盘上 Ctrl + S,创建或选择文件夹,以保存工程。

  3. 在Mech-Viz软件的左侧窗口中,右键单击工程名称,勾选 设为自动加载

    Unnamed image

连接机器人

  1. 在Mech-Viz软件中,单击工具栏中的 主控连接机器人

  2. 机器人IP地址 处,填入真实机器人的IP地址(图中的IP地址仅为示意),单击 连接机器人

    Unnamed image

    若Mech-Viz成功连接真实机器人,则当前状态显示 已连接,同时,工具栏中的图标由蓝色变为绿色。

    Unnamed image

    若连接失败,请检查设置的机器人IP地址是否有误。

移动机器人

  1. 在Mech-Viz软件中,将工具栏中的速度与加速度调整为5%。

    Unnamed image
  2. 在工具栏中,单击 同步机器人,使其处于选中状态,此时三维仿真空间中的虚拟机器人位姿将同步为真实机器人位姿,然后再次单击 同步机器人,以取消选中状态。

    Unnamed image
  3. 机器人 选项卡下,微调 J1 关节角角度(例如,将 0° 调整为 3°)。此操作将使虚拟机器人发生移动。

    Unnamed image
  4. 单击 移动真实机器人 ,确认真实机器人是否移动。如果真实机器人移动至虚拟机器人的位姿,则说明主控通信正常。

    在运行机器人时,请确保人员安全。当发生紧急情况时,请按下示教器上的急停按钮!
    Unnamed image

报错处理

如果无法成功连接机器人,且报错: DLL load failed: %1 不是有效的 Win 32 应用程序 , 请检查工控机上的 C 运行库是否完整,完整的 C 运行库如下图所示。

full cpp

若不完整,请使用 vc 运行库修复 DirectX Repair V3.9 修复

该页面是否有帮助?

可以通过以下方式反馈意见:

我们重视您的隐私

我们使用 cookie 为您在我们的网站上提供最佳体验。继续使用该网站即表示您同意使用 cookie。如果您拒绝,将使用一个单独的 cookie 来确保您在访问本网站时不会被跟踪或记住。