特別なタイプ
OffsetWrist_Y_SixAxis_FANUC_CRX_10IA_Like J5 が -Y 方向に沿ってオフセット(L)
軸数 |
6 軸 |
構造名 |
OffsetWrist_Y_SixAxis_FANUC_CRX_10IA_Like |
説明 |
J5 が -Y 方向に沿ってオフセット(L) |
DH パラメータ図 |
|
座標系の各軸名 |
|
リンク、座標系、対応関係 |
0:座標系 0、1 |
1:座標系 0、1 |
|
2:座標系 2 |
|
3:座標系 3、4 |
|
4:座標系 3、4 |
|
5:座標系 5 |
|
6:座標系 6 |
|
軸 |
手首:5、6 |
前腕:3、4 |
|
上腕:2 |
|
ベース:0、1 |
|
型番 |
FANUC CRX-10iA、FANUC CRX-10iAL、YASKAWA HC10 |
[robot]_algo の例
{
"algo_type": "OffsetWrist_Y_SixAxis_FANUC_CRX_10IA_Like",
#DH parameters [meter]
"dh": [ A, C, E, F, -L ],
#joint limits [degree]
"min_limits": [ J1 min, J2 min, J3 min, J4 min, J5 min, J6 min ],
"max_limits": [ J1 max, J2 max, J3 max, J4 max, J5 max, J6 max ],
#joint positions at standard pose [degree]
"mastering_joints": [ J1, J2, J3, J4, J5, J6 ],
#joint orientations [0/1]
"axis_flip": "J1J2J3J4J5J6",
#robot base location [meter,meter,meter,degree,degree,degree]. If robot has not been moved, robot base frame equals to World frame.
"robot_frame_in_robot_base_frame": [ x, y, z, rx, ry, rz ],
#robot flange frame orientation [x/y/z]
"flange_frame_orientation": "z"
}
OffsetWrist_Y_SixAxis_Rokae_SR4_Like J2 が +X 方向に沿ってオフセット(G)、J5 が -Y 方向に沿ってオフセット(L)
軸数 |
6 軸 |
構造名 |
OffsetWrist_Y_SixAxis_Rokae_SR4_Like |
説明 |
J2 が +X 方向に沿ってオフセット(G)、J5 が -Y 方向に沿ってオフセット(L) |
DH パラメータ図 |
|
座標系の各軸名 |
|
リンク、座標系、対応関係 |
0:座標系 0、1 |
1:座標系 0、1 |
|
2:座標系 2 |
|
3:座標系 3 |
|
4:座標系 4 |
|
5:座標系 5 |
|
6:座標系 6 |
|
軸 |
手首:5、6 |
前腕:3、4 |
|
上腕:2 |
|
ベース:0、1 |
|
型番 |
Rokae SR3、SR4 |
[robot]_algo の例
{
"algo_type": "OffsetWrist_Y_SixAxis_ROKAE_SR4_Like",
#DH parameters [meter]
"dh": [ A, C, D, G, E, F, -L ],
#joint limits [degree]
"min_limits": [ J1 min, J2 min, J3 min, J4 min, J5 min, J6 min ],
"max_limits": [ J1 max, J2 max, J3 max, J4 max, J5 max, J6 max ],
#joint positions at standard pose [degree]
"mastering_joints": [ J1, J2, J3, J4, J5, J6 ],
#joint orientations [0/1]
"axis_flip": "J1J2J3J4J5J6",
#robot base location [meter,meter,meter,degree,degree,degree]. If robot has not been moved, robot base frame equals to World frame.
"robot_frame_in_robot_base_frame": [ x, y, z, rx, ry, rz ],
#robot flange frame orientation [x/y/z]
"flange_frame_orientation": "z"
}
OffsetWrist_Y_SixAxis_DENSO_COBOTTA_PRO_1300_Like J3 が -Y 方向に沿ってオフセット(H)、J5 が +Y 方向に沿ってオフセット(L)
軸数 |
6 軸 |
構造名 |
OffsetWrist_Y_SixAxis_DENSO_COBOTTA_PRO_1300_Like |
説明 |
J3 が -y 方向に沿ってオフセット(H)、J5 が +y 方向に沿ってオフセット(L) |
DH パラメータ図 |
|
座標系の各軸名 |
|
リンク、座標系、対応関係 |
0:座標系 0、1 |
1:座標系 0、1 |
|
2:座標系 2 |
|
3:座標系 3、4 |
|
4:座標系 3、4 |
|
5:座標系 5 |
|
6:座標系 6 |
|
軸 |
手首:5、6 |
前腕:3、4 |
|
上腕:2 |
|
ベース:0、1 |
|
型番 |
Denso COBOTTA PRO 900、COBOTTA PRO 1300 |
[robot]_algo の例
{
"algo_type": "OffsetWrist_Y_SixAxis_DENSO_COBOTTA_PRO_1300_Like",
#DH parameters [meter]
"dh": [ A, C, E, F, -H, L ],
#joint limits [degree]
"min_limits": [ J1 min, J2 min, J3 min, J4 min, J5 min, J6 min ],
"max_limits": [ J1 max, J2 max, J3 max, J4 max, J5 max, J6 max ],
#joint positions at standard pose [degree]
"mastering_joints": [ J1, J2, J3, J4, J5, J6 ],
#joint orientations [0/1]
"axis_flip": "J1J2J3J4J5J6",
#robot base location [meter,meter,meter,degree,degree,degree]. If robot has not been moved, robot base frame equals to World frame.
"robot_frame_in_robot_base_frame": [ x, y, z, rx, ry, rz ],
#robot flange frame orientation [x/y/z]
"flange_frame_orientation": "z"
}
OffsetWrist_Y_SixAxis_DENSO_COBOTTA_Like J3 が +Y、+Z 方向に沿ってオフセット(H、D)、J5 が -Y 方向に沿ってオフセット(L)
軸数 |
6 軸 |
構造名 |
OffsetWrist_Y_SixAxis_DENSO_COBOTTA_Like |
説明 |
J3 が -Y 方向に沿ってオフセット(H、D))、J5 が +Y 方向に沿ってオフセット(L) |
DH パラメータ図 |
|
座標系の各軸名 |
|
リンク、座標系、対応関係 |
0:座標系 0、1 |
1:座標系 0、1 |
|
2:座標系 2 |
|
3:座標系 3、4 |
|
4:座標系 3、4 |
|
5:座標系 5 |
|
6:座標系 6 |
|
軸 |
手首:5、6 |
前腕:3、4 |
|
上腕:2 |
|
ベース:0、1 |
|
型番 |
Denso COBOTTA |
[robot]_algo の例
{
"algo_type": "OffsetWrist_Y_SixAxis_DENSO_COBOTTA_Like",
#DH parameters [meter]
"dh": [ A, C, D, E, F, H, -L ],
#joint limits [degree]
"min_limits": [ J1 min, J2 min, J3 min, J4 min, J5 min, J6 min ],
"max_limits": [ J1 max, J2 max, J3 max, J4 max, J5 max, J6 max ],
#joint positions at standard pose [degree]
"mastering_joints": [ J1, J2, J3, J4, J5, J6 ],
#joint orientations [0/1]
"axis_flip": "J1J2J3J4J5J6",
#robot base location [meter,meter,meter,degree,degree,degree]. If robot has not been moved, robot base frame equals to World frame.
"robot_frame_in_robot_base_frame": [ x, y, z, rx, ry, rz ],
#robot flange frame orientation [x/y/z]
"flange_frame_orientation": "z"
}
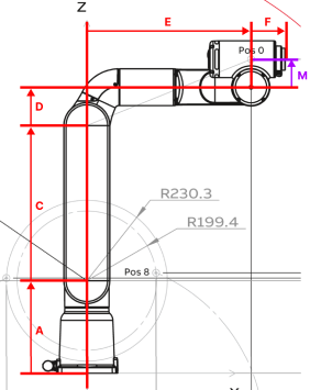
SOffsetWrist_Z_SixAxis_ABB_CRB15000_Like J5 が +Z 方向に沿ってオフセット(M)
軸数 |
6 軸 |
構造名 |
OffsetWrist_Z_SixAxis_ABB_CRB15000_Like |
説明 |
J5 が +Z方向に沿ってオフセット(M) |
DH パラメータ図 |
|
座標系の各軸名 |
|
リンク、座標系、対応関係 |
0:座標系 0、1 |
1:座標系 0、1 |
|
2:座標系 2 |
|
3:座標系 3、4 |
|
4:座標系 3、4 |
|
5:座標系 5 |
|
6:座標系 6 |
|
軸 |
手首:5、6 |
前腕:3、4 |
|
上腕:2 |
|
ベース:0、1 |
|
型番 |
ABB CRB15000-5/0.95 |
[robot]_algo の例
{
"algo_type": "OffsetWrist_Z_SixAxis_ABB_CRB15000_5_0_95_Like",
#DH parameters [meter]
"dh": [ A, C, D, E, F, M ],
#joint limits [degree]
"min_limits": [ J1 min, J2 min, J3 min, J4 min, J5 min, J6 min ],
"max_limits": [ J1 max, J2 max, J3 max, J4 max, J5 max, J6 max ],
#joint positions at standard pose [degree]
"mastering_joints": [ J1, J2, J3, J4, J5, J6 ],
#joint orientations [0/1]
"axis_flip": "J1J2J3J4J5J6",
#robot base location [meter,meter,meter,degree,degree,degree]. If robot has not been moved, robot base frame equals to World frame.
"robot_frame_in_robot_base_frame": [ x, y, z, rx, ry, rz ],
#robot flange frame orientation [x/y/z]
"flange_frame_orientation": "z"
}









