轮廓测量仪线缆敷设与接线规范

您正在查看最新版本(V2.5.3)的文档。如果您想查阅其他版本的文档,可以点击页面右上角“切换版本”按钮进行切换。

■ 如果您不确定当前使用的产品是哪个版本,请随时联系梅卡曼德技术支持

本文介绍轮廓测量仪(含感测头和控制器)线缆敷设和接线规范。

轮廓测量仪线缆敷设规范

折弯半径规范

定义

折弯半径是指线缆弯曲时线缆外边缘到弯曲中心的距离。

要求

  • 折弯半径应不小于线缆的8倍外直径(8D)。走线时需严格执行,避免过度弯曲。

  • 推荐轮廓测量仪线缆折弯半径不小于6cm。

  • 尤其注意感测头和控制器接口连接处,线缆航插头到线缆折弯处应大于13cm。

示例

cable bend radius

线缆固定规范

定义

线缆固定是指通过合理的支撑与固定措施,确保线缆在敷设与运行过程中稳定可靠,不受移动、拉伸或磨损的影响。

要求

线缆航插头到线缆扭转点应设置一个固定承重点,将线缆牢固固定,避免线缆或者轮廓测量仪运动过程中使航插头连接处受力导致松动。此外,航插头到固定承重点的距离不少于13cm。

示例

cable bending fixing

此外,如果需要绑扎线缆,请遵循以下要求:

  • 绑扎后的线缆应紧密排列,外观整洁,无外皮损伤。

  • 绑扎线扣时,确保线扣头朝向一致,相同位置的线扣应处于同一水平线上,并且线扣头应修剪平整。

  • 线缆绑成束时,线缆束的扎带间距应为线缆束直径的3~4倍,且保持均匀分布。

线缆保护规范

定义

线缆保护是指通过使用各种保护措施,以确保线缆在敷设和使用过程中免受外部环境或机械应力的损害。

要求

  • 敷设过程中,应避免线缆相互交叉和与其他尖锐物体摩擦,以减少磨损,延长线缆使用寿命。

  • 在容易受损的区域,使用防护套管进一步保护线缆免受物理损伤。在尖锐拐角,使用缠绕线管保护,但不要使用轧带固定,否则可能导致缠绕线管和线缆磨损。

示例

正确 错误
cable protection correct1
cable protection wrong1

管线包或坦克链内走线要求

在敷设线缆时,管线包和拖链(坦克链)是两种常见的线缆保护装置。在管线包或坦克链内走线时,还应遵守下文的要求。

  • 管线包是一种用来保护和整理线缆、气管、液管等管线的外部保护装置。它通过包裹、引导和保护内部的管线,防止管线在工作环境中受到损坏或干扰,同时确保设备运行的整洁和可靠性。

  • 拖链是一种专门用于保护和管理线缆、管道的机械结构。它能够让线缆或管道随着设备的运动而有序地伸展和收缩,避免线缆的拉扯、磨损或纠缠。坦克链是拖链的一种,拥有更坚固的链节结构,可以承载较重的线缆和管道。

  • 避免在内部固定线材

    在管线包或坦克链内部,应避免将线缆固定在内部结构上,以保证线缆具有足够的自由度进行活动和弯曲,避免限制其正常运动。具体固定方式可参考下图。

  • 在入口固定线缆以防止摩擦

    线缆在管线包或坦克链的入口应该固定,禁止线缆之间相互摩擦。

    cable carriers conduits
  • 保证坦克链部分不随轮廓测量仪移动

    一般要求坦克链至少应保证3到4节不随轮廓测量仪移动。

  • 避免坦克链中线缆承受附加张力

    在坦克链中走线时,应避免线缆承受过多的附加张力。线缆不能拉得太紧(如下左图),也不能过松(如下右图)。拉得太紧或过松都会与坦克链内壁摩擦,导致保护套磨损;过松还容易引发缠绕问题。此外,如果线缆的移动部分被固定,会导致弯曲应力无法被分散及吸收,会在固定位置造成应力集中。因此,线缆的固定部位应在坦克链的两端。

    cable carriers tightness
  • 防止坦克链中线缆互相干扰

    在坦克链中走线时,为了防止线缆相互干扰,线缆不能重叠,而应实施水平走线。在实施水平走线时,确保线缆之间有足够的间隙。在坦克链内,线缆间的间隙应至少为线缆直径的10%,以保证每根线缆都有足够的空间,不会相互接触或摩擦。

    cable interference in tank chain
  • 避免波纹管内线缆打结与缠绕

    在波纹管内走线时,确保线缆不打结或互相缠绕,从而避免因线缆缠绕造成的摩擦或损伤。

轮廓测量仪接线规范

为了能够正常使用轮廓测量仪,需要为轮廓测量仪正确接线,主要包括感测头与控制器、控制器与导轨电源、控制器与外部IO设备和编码器之间的接线。

感测头与控制器接线

请参考硬件用户手册,使用相机包装中的感测头到控制器连接线,连接感测头和控制器。在接线时,还应注意如下要求。

考虑到线缆接头的拆卸和安装要求,在安装轮廓测量仪时线缆接头预留空间应满足如下要求:

  • 直头:H1 ≥ 130mm

  • 弯头:H2 ≥ 110mm;L ≥ 70mm

connector space
感测头到控制器连接线的弯头用于连接感测头,直头用于连接控制器。线缆的接头均为M12航插头。

另外,在安装航插头时,线缆航插头应边旋转紧固螺母边推进直到完全拧紧,确保连接后不松动。航插头拧紧后,螺纹间隙(L)不大于2mm。

connector gap

控制器与导轨电源接线

请参考硬件用户手册,使用相机包装中的控制器DC电源线,连接控制器和导轨电源。在接线时,还应注意如下要求。

  • 确保控制器DC电源线的散线头插入接线端子中的深度足够,深度大于等于9mm。

    dc power cable connection
  • 接地线连接完成后,请使用万用表的欧姆档测量机台接地点与控制器/感测头测试点的电阻,保证接地电阻不超过1Ω。

    控制器/感测头的电阻测试点如下图所示(①和②)。

    resistance test point

控制器与外部IO设备和编码器接线

轮廓测量仪支持外部触发,即通过从外部设备输入的信号触发每轮数据采集。此外,轮廓测量仪支持通过编码器信号触发每次行扫描。为了能够正常触发轮廓测量仪,需要正确连接控制器与外部IO设备和编码器。

请参考硬件用户手册,将信号线缆接入信号端子。在接线时,还应注意如下要求。

连接输入信号端子

通过将外部设备的信号线连接至控制器的对应输入信号端子,可以实现外部设备控制轮廓测量仪进行数据采集。

轮廓测量仪支持多种通过外部设备信号控制数据采集方式。根据使用的通过外部设备信号控制数据采集方式不同,输入信号端子连接要求不同。详细信息,请参考通过外部设备控制数据采集

连接输出信号端子

通过将外部设备的信号线连接至控制器的对应输出信号端子,可以为外部设备输出轮廓测量仪的数据采集状态信号或者通过API自定义的信号。

请参照如下连接示意图连接控制器的输出信号端子。

connect io output
  • 上图中,17~20为输出信号公共端子,21~28为通用数字输出信号端子1~8。I/O模块通常指PLC等接收器。

  • 如果需要为外部设备提供数据采集状态信号,需要连接29号READY、30号ERROR和31号TRG_ERROR端子。详细信息,请参考为外部设备提供数据采集状态信号

  • 关于输出信号端子的详细说明,请参考输出信号端子

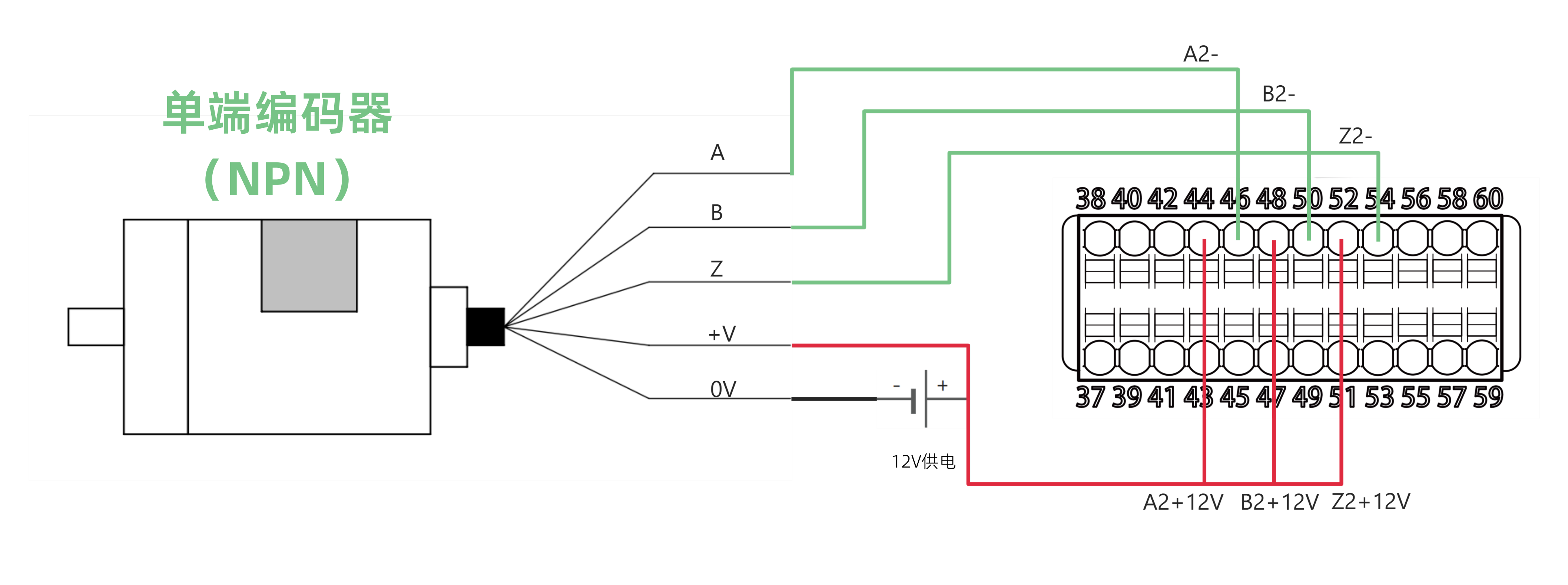
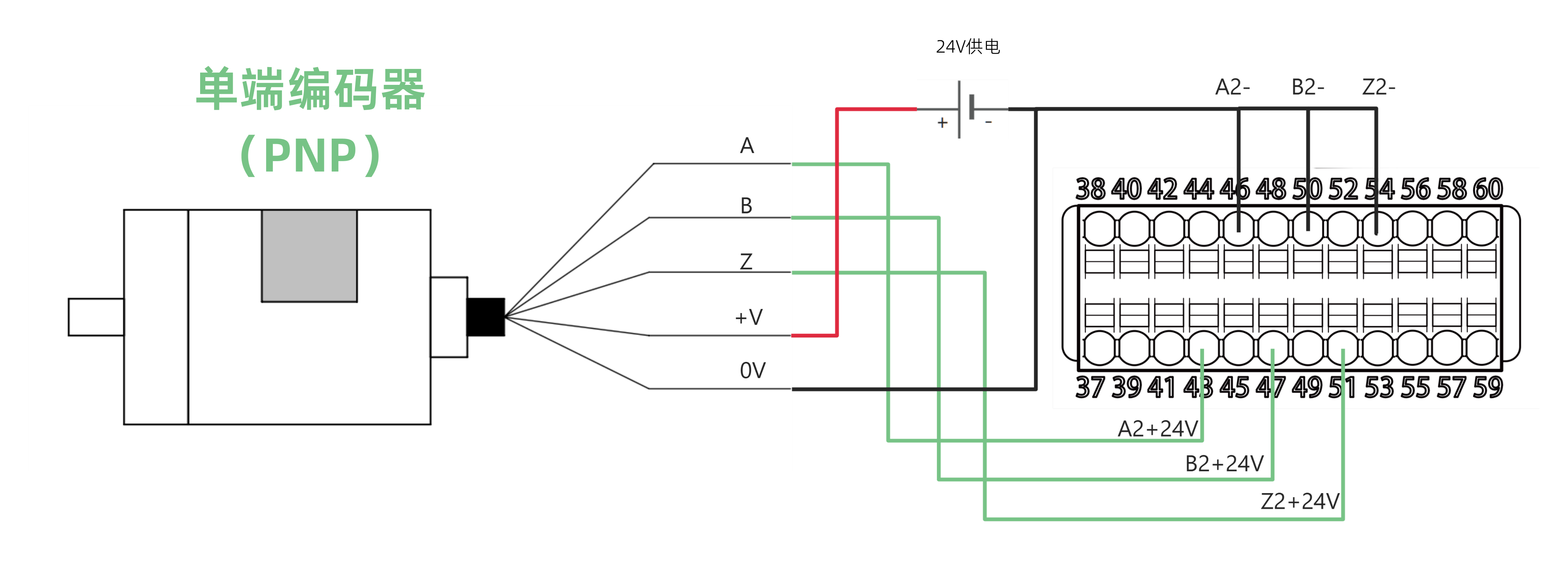
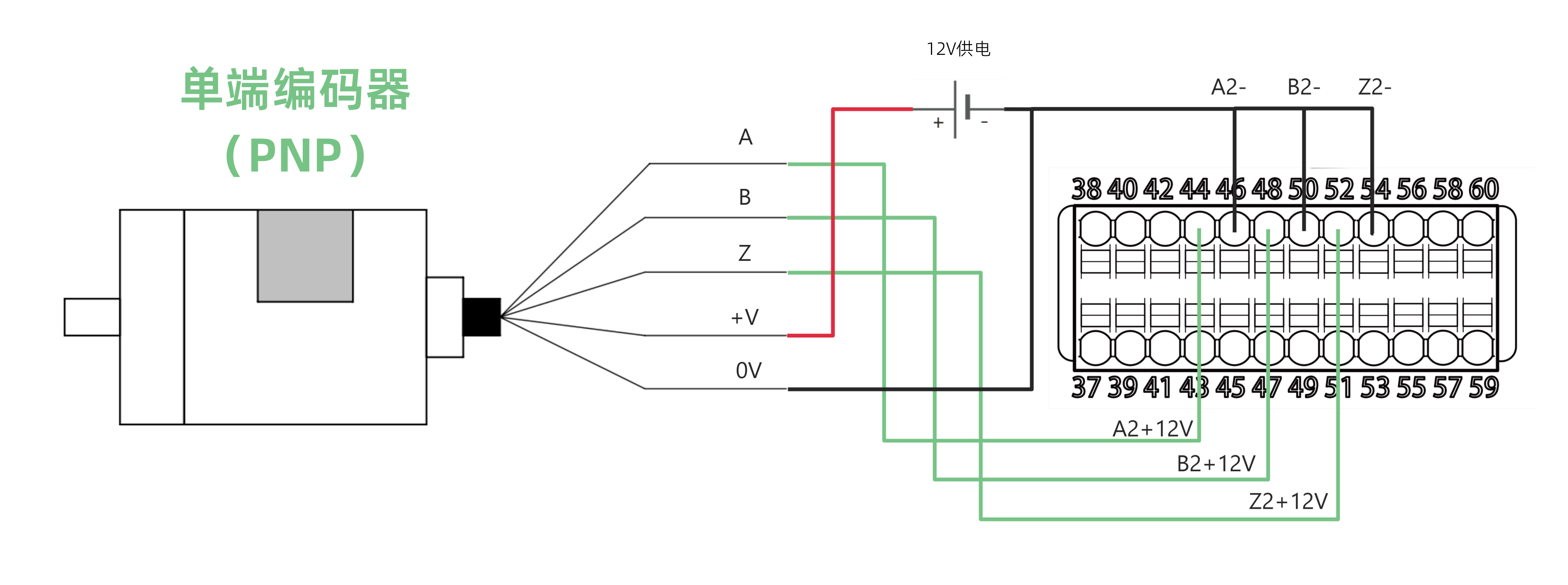
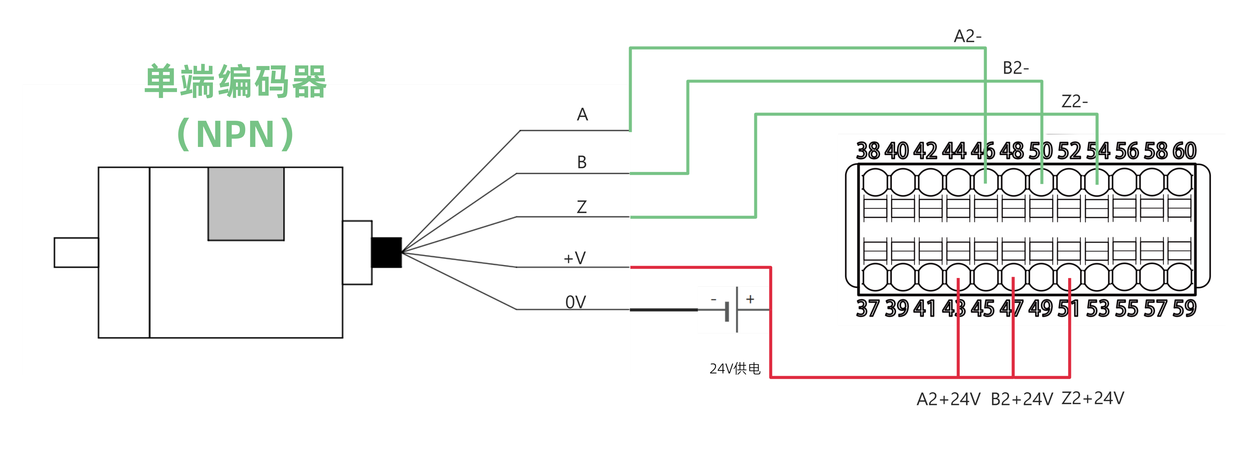
连接编码器信号端子

轮廓测量仪支持通过编码器信号触发每次行扫描。轮廓测量仪支持将差分编码器和单端编码器的信号接入控制器的编码器信号端子。

  • 单端编码器使用三根导线分别来传输A、B和Z信号,并依赖于公共地线来完成电路回路。信号电压是相对于地电位进行测量的。

  • 差分编码器使用三对导线分别来传输三对互补信号(正相和反相信号)。接收端比较这两条线上的电压差来确定信号值。

单端编码器

请参照如下示意图连接单端编码器导线到控制器的编码器信号端子。

信号源类型 电源电压 连接示意图

NPN型

5V

connect single ended encoder npn 5v

12V

connect single ended encoder npn 12v

24V

connect single ended encoder npn 24v

PNP型

5V

connect single ended encoder pnp 5v

12V

connect single ended encoder pnp 12v

24V

connect single ended encoder pnp 24v

差分编码器

请参照如下示意图连接差分编码器导线到控制器的编码器信号端子。

connect differential encoder

该页面是否有帮助?

可以通过以下方式反馈意见:

我们重视您的隐私

我们使用 cookie 为您在我们的网站上提供最佳体验。继续使用该网站即表示您同意使用 cookie。如果您拒绝,将使用一个单独的 cookie 来确保您在访问本网站时不会被跟踪或记住。