레이저 프로파일러 케이블 부설 및 배선

현재 최신 버전 (2.5.4)에 대한 매뉴얼을 보고 계십니다. 다른 버전에 액세스하려면 페이지 오른쪽 상단 모서리에 있는 '버전 전환' 버튼을 클릭하세요.

■ 현재 사용하고 있는 제품의 버전이 확실하지 않은 경우에는 언제든지 당사 기술 지원팀에 문의하시기 바랍니다.

이 부분에서는 레이저 프로파일러(센서 및 컨트롤러)의 케이블 부설 및 배선 규범에 대해 소개합니다.

레이저 프로파일러 케이블 부설 규범

굽힘 반경

정의

굽힘 반경은 케이블을 구부렸을 때, 케이블 바깥쪽부터 굽힘 중심까지의 거리를 말합니다.

요구 사항

  • 굽힘 반경은 케이블 외경의 8배(8D) 이상이어야 합니다. 과도한 굽힘을 피하려면 이러한 요구 사항을 엄격히 준수해야 합니다.

  • 레이저 프로파일러의 굽힘 반경은 6cm 이상이어야 합니다.

  • 센서와 컨트롤러 포트 간의 연결 시 특히 주의하시기 바랍니다. 케이블의 항공 플러그에서 케이블 굴곡부까지의 거리는 13cm 이상이어야 합니다.

예시

cable bend radius

케이블 고정 규범

정의

케이블 고정은 설치 및 작동 중에 케이블이 움직이거나 늘어나거나 마모되지 않도록 안정적이고 신뢰할 수 있는 지지 및 고정 장치를 사용하는 것을 말합니다.

요구 사항

케이블의 항공 플러그에서 비틀림 지점까지 고정 부품을 사용하여 케이블을 단단히 고정함으로써, 레이저 프로파일러나 케이블 이동으로 인한 플러그 연결이 느슨해지는 것을 방지합니다. 또한 항공 플러그와 고정 지점 사이의 거리는 13cm 이상이어야 합니다.

예시

cable bending fixing

케이블을 묶어야 할 경우, 다음 요구 사항을 준수하시기 바랍니다.

  • 케이블 묶음은 외관이 깨끗하고 피복 손상이 없으며 촘촘하게 정리되어 있어야 합니다.

  • 케이블 클립을 사용할 때, 케이블 클립 헤드의 방향을 일치시키세요. 동일한 위치에 있는 헤드는 높이가 같아야 하며, 깔끔하게 잘라야 합니다.

  • 케이블을 묶을 때, 케이블 타이 간의 간격을 케이블 직경의 3~4배로 하여 균등하게 배치해 주세요간.

케이블 보호 규범

정의

케이블 보호란, 케이블이 설치 및 사용 과정에서 외부 환경이나 기계적 응력으로부터 손상되지 않도록 다양한 보호 조치를 취하는 것을 말합니다.

요구 사항

  • 케이블 부설 과정에서는 케이블이 서로 교차하거나 날카로운 물체와 마찰되지 않도록 하여 마모를 줄이고 케이블의 수명을 연장해야 합니다.

  • 손상되기 쉬운 부위에서는 보호용 도관을 사용하여 케이블을 물리적 손상으로부터 보호해야 합니다. 날카로운 모서리 부분에는 나선형 케이블 랩을 사용하되, 케이블 타이는 사용하지 말아야 합니다. 케이블 타이를 사용하면 케이블 랩과 케이블 자체가 모두 마모될 수 있습니다.

예시

올바른 예시 잘못된 예시
cable protection correct1
cable protection wrong1

드레스팩/트랙 체인 내부의 케이블 라우팅 요구사항

케이블을 설치할 때 드레스팩과 드래그 체인(트랙 체인 등)은 일반적으로 사용되는 케이블 보호 장치입니다. 드레스팩이나 트랙 체인 내부에 케이블을 배선할 때 다음 요구 사항을 준수해야 합니다.

  • 드레스팩은 케이블, 공기 호스, 유체 파이프 및 기타 선을 보호하고 정리하는 데 사용되는 외부 보호 장치입니다. 내부 배선을 감싸고 보호하여 작업 환경에서 손상이나 간섭을 방지하고, 동시에 장비 작동의 안정성을 보장합니다.

  • 드래그 체인은 케이블과 파이프를 보호하고 관리하기 위해 특별히 설계된 기계 구조물입니다. 장비의 움직임에 따라 케이블이나 파이프가 질서 있게 확장 및 수축하도록 하여 케이블이 당겨지거나 마모되거나 엉키는 것을 방지합니다. 트랙 체인은 드래그 체인의 한 종류로, 더 견고한 체인 구조를 가지고 있어 무거운 케이블과 파이프를 지탱할 수 있습니다.

  • 구조물 내부에 케이블을 고정하지 마세요

    드레스팩과 트랙 체인 내부에서는 케이블을 고정하지 말고, 충분한 자유도를 보장하여 케이블이 자유롭게 움직이고 구부러질 수 있도록 해야 합니다. 구체적인 고정 방식은 아래 그림을 참조하세요.

  • 입구에 케이블을 고정하여 마찰을 방지하세요

    케이블 간의 마찰을 방지하기 위해 드레스팩이나 트랙 체인의 입구에 케이블을 고정하세요.

    cable carriers conduits
  • 트랙 체인이 레이저 프로파일러와 함께 움직이지 않도록 하세요

    일반적으로 최소 3~4개 섹션은 레이저 프로파일러와 함께 움직이지 않아야 합니다.

  • 트랙 체인의 케이블에 추가적인 장력을 가하지 마세요

    트랙 체인 내부에 배선을 할 때는 케이블에 과도한 추가 장력이 가해지지 않도록 주의해야 합니다. 케이블이 너무 팽팽하게 당겨지거나(첫번째 그림), 너무 느슨하게(두번째 그램) 배선되어서는 안 됩니다. 너무 팽팽하거나 느슨하면 트랙 체인의 내벽과 마찰이 생겨 보호 케이블이 마모될 수 있으며, 너무 느슨하면 엉킴 문제가 발생할 수 있습니다. 또한, 케이블의 움직이는 부분이 고정되면 굽힘 응력이 분산 흡수되지 않아 고정된 지점에 응력이 집중되는 문제가 발생합니다. 따라서 트랙 체인의 양 끝에 케이블을 고정해야 합니다.

    cable carriers tightness
  • 트랙 체인 내부 케이블 간 간섭을 방지하세요

    트랙 체인 내부에 케이블을 배선할 때는 케이블이 겹치지 않도록 하고 수평으로 배선하여 케이블 간 간섭을 방지해야 합니다. 수평 배선을 할 때는 케이블 사이에 충분한 간격을 확보해야 하며, 트랙 체인 내부에서는 케이블 간 간격이 최소 케이블 직경의 10% 이상이 되어야 합니다. 이를 통해 각 케이블이 충분한 공간을 확보하여 서로 접촉하거나 마찰되지 않도록 해야 합니다.

    cable interference in tank chain
  • 골판지 파이프 내부 케이블이 꼬이거나 엉킴을 방지하세요

    골판지 파이프 내부에 배선을 할 때는 케이블이 꼬이거나 서로 엉키지 않도록 주의하여, 케이블이 엉킴으로 인해 발생할 수 있는 마찰이나 손상을 방지해야 합니다.

레이저 프로파일러 배선 규범

레이저 프로파일러를 정상적으로 사용하려면 케이블 연결이 중요합니다. 주요 연결에는 센서-컨트롤러, 컨트롤러-DIN 레일 전원 공급 장치, 컨트롤러- 외부 I/O 장치 및 엔코더 간의 연결이 포함됩니다.

센서-컨트롤러 연결

하드웨어 사용자 매뉴얼을 참조하여, 카메라 패키지에 포함된 센서 -컨트롤러 케이블을 사용하여 센서와 컨트롤러를 연결하세요. 케이블을 연결할 때 아래 사항에 주의해야 합니다.

케이블 커넥터 분해 및 설치 요구 사항을 고려하여, 레이저 프로파일러 설치 시 케이블의 여유 공간은 아래와 같아야 합니다.

  • 스트레이트형 커넥터 : H1 ≥ 130mm

  • 직각형 커넥터 : H2 ≥ 110mm, L ≥ 70mm

connector space
센서-컨트롤러 연결 케이블의 직각형 커넥터는 센서에 연결하고, 스트레이트형 커넥터는 컨트롤러에 연결합니다. 케이블의 커넥터는 모두 M12 항공 커넥터입니다.

또한 항공 커넥터를 설치할 때는 완전히 조일 때까지 고정 너트를 돌리면서 밀어야 합니다. 단단히 조인 후, 2mm 이하의 틈(L)이 남아야 합니다.

connector gap

컨트롤러-DIN 레일 전원 공급 장치 연결

하드웨어 사용자 매뉴얼을 참조하여, 카메라 패키지에 포함된 컨트롤러 DC 전원 케이블을 사용하여 컨트롤러와 DIN 레일 전원 공급 장치를 연결하세요. 케이블을 연결할 때 아래 사항에 주의해야 합니다.

  • 컨트롤러 DC 전원 케이블의 피그테일 케이블이 배선 단자에 9mm 이상 충분히 삽입되어 있는지 확인합니다.

    dc power cable connection
  • 접지선을 연결한 후 멀티미터의 옴 설정을 사용하여 기계 접지점과 컨트롤러/센서 테스트 지점 사이의 저항을 측정하고, 접지 저항이 1Ω을 초과하지 않도록 확인합니다.

    컨트롤러/센서의 저항 테스트 지점은 아래 그림(① 및 ②)에 나와 있습니다.

    resistance test point

컨트롤러-외부 I/O 장치 및 엔코더 연결

레이저 프로파일러는 외부 트리거를 지원하며, 외부 장치에서 입력된 신호를 통해 데이터 획득 라운드를 트리거합니다. 또한, 레이저 프로파일러는 엔코더를 통한 데이터 획득 라운드 트리거를 지원합니다. 레이저 프로파일러의 정상적인 작동을 위해서는 컨트롤러와 외부 I/O 장치 및 엔코더 간의 올바른 연결이 필수적입니다.

하드웨어 사용자 매뉴얼 신호 케이블을 신호 단자에 연결을참조하세요. 케이블을 연결할 때 아래 사항에 주의해야 합니다.

입력 신호 단자 연결

외부 장치의 신호선을 컨트롤러의 해당 입력 신호 단자에 연결하여 외부 설비가 레이저 프로파일러를 컨트롤하여 데이터 획득을 진행합니다.

레이저 프로파일러는 외부 장치에서 입력되는 신호를 통해 데이터 획득을 제어할 수 있는 다양한 방법을 지원하며, 방법에 따라 입력 신호 단자 연결 요구 사항이 다릅니다. 자세한 내용은 외부 장치를 통해 데이터 획득을 컨트롤하기를 참조하세요.

출력 신호 단자 연결

외부 장치의 신호선을 컨트롤러의 출력 신호 단자에 연결하면, 레이저 프로파일러의 데이터 획득 상태 신호 또는 API를 통한 사용자 정의 신호를 외부 장치로 출력할 수 있습니다.

아래 그림을 참조하여 컨트롤러의 출력 신호 단자에 연결합니다.

connect io output
  • 위 그림에서 17~20번은 출력 신호용 공통 단자이고, 21~28번은 범용 디지털 출력 신호 단자 1~8입니다. I/O 모듈은 일반적으로 PLC와 같은 수신 설비를 나타냅니다.

  • 외부 장치에 데이터 획득 상태 신호를 제공해야 하는 경우, 29호 READY, 30호 ERROR, 31호 TRG_ERROR 단자에 연결해야 합니다. 자세한 내용은 외부 장치를 위해 데이터 획득 상태 신호 제공을 참고하세요.

  • 출력 신호 단자에 관한 상세한 내용은 출력 신호 단자를 참조하세요.

엔코더 신호 단자 연결

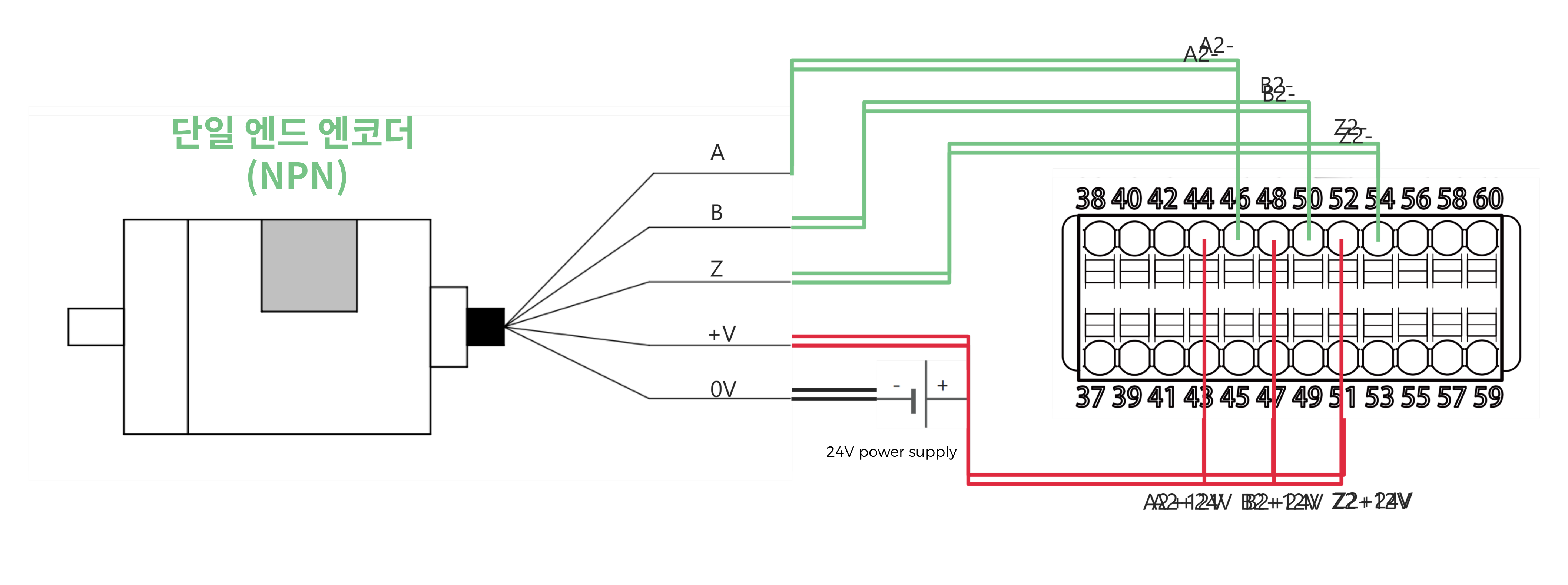
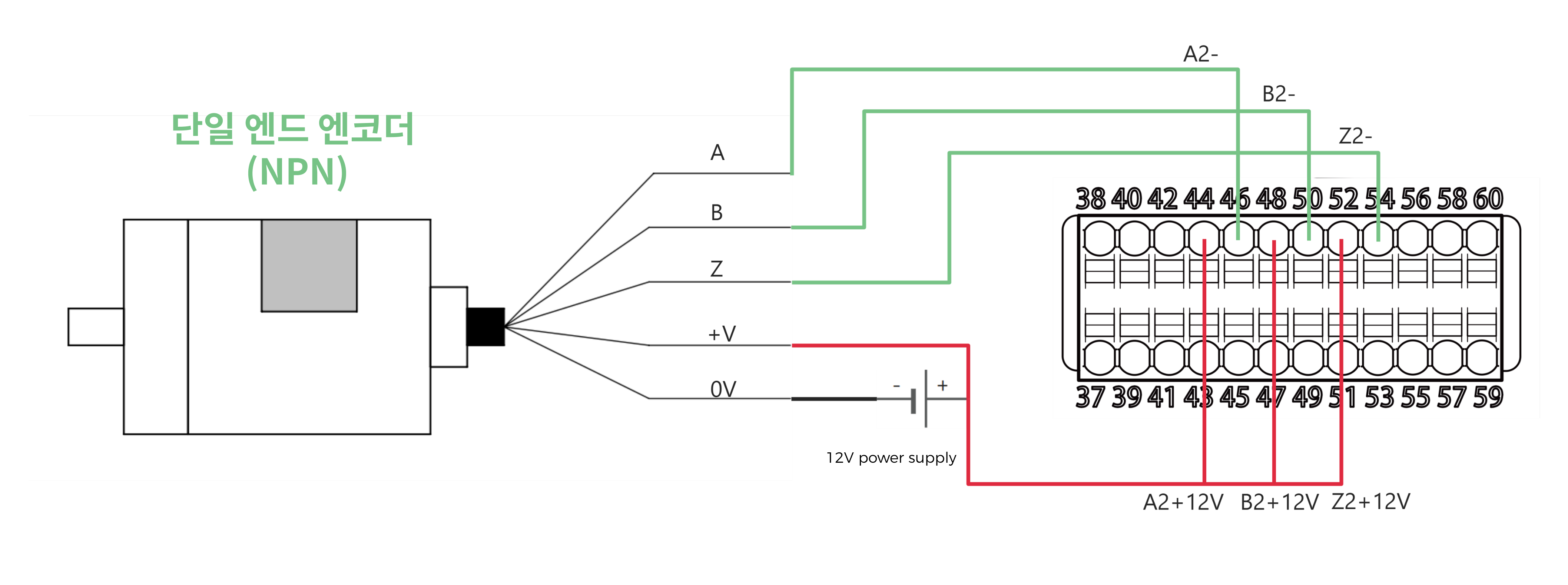
레이저 프로파일러는 엔코더를 통한 데이터 획득 라운드 트리거를 지원합니다. 차동 엔코더 및 단일 엔드 엔코더의 신호선을 컨트롤러의 엔코더 신호 단자에 연결하여 사용할 수 있습니다.

  • 단일 엔드 엔코더는 3개의 신호선을 사용하여 각각 A, B 및 Z 신호를 전송하며, 공통 접지선을 통해 회로 루프를 완성합니다. 신호 전압은 접지 전위를 기준으로 측정된 값입니다.

  • 차동 엔코더는 세 쌍의 선을 사용하여 세 쌍의 상호 보완 신호(양의 위상 신호 및 음의 위상 신호)를 전송합니다. 이 두 선의 전압 차이를 비교하여 신호 값을 결정합니다.

단일 엔드 엔코더

다음 그림을 참조하여 단일 엔드 엔코더의 선을 컨트롤러 엔코더 신호 단자에 연결합니다.

신호 소스 유형 전압 연결 도면

NPN

5V

connect single ended encoder npn 5v

12V

connect single ended encoder npn 12v

24V

connect single ended encoder npn 24v

PNP

5V

connect single ended encoder pnp 5v

12V

connect single ended encoder pnp 12v

24V

connect single ended encoder pnp 24v

차동 엔코더

다음 그림을 참조하여 차동 엔코더의 선을 컨트롤러 엔코더 신호 단자에 연결합니다.

connect differential encoder

이 페이지가 도움이 되었습니까?

다음 방법을 통해 피드백을 보내주실 수 있습니다:

저희는 귀하의 개인정보를 소중히 다룹니다.

당사 웹사이트는 최상의 사용자 경험을 제공하기 위해 쿠키를 사용하고 있습니다. "모두 수락"을 클릭하시면 쿠키 사용에 동의하시는 것이며, "모두 거부"를 클릭하시면 이 웹사이트 방문 시 귀하의 정보가 추적되거나 기억되지 않도록 단일 쿠키만 사용됩니다.