インラインプロファイル測定器のケーブル接続と配線方法

現在ご覧いただいているのは最新版の内容です(V2.5.4)。異なるバージョンを参照する場合は、画面右上のボタンから切り替えが可能です。

■ ご利用中のバージョンが分からない場合や、サポートが必要な場合はお気軽にサポート窓口までご連絡ください。

以下ではインラインプロファイル測定器(センサーヘッドとコントローラー)のケーブル接続と配線方法を説明します。

インラインプロファイル測定器のケーブル接続

曲げ半径

定義

曲げ半径 とは、ケーブルが曲がる際にケーブルの外側のエッジから曲げの中心までの距離を指します。

要件

  • 曲げ半径は、ケーブルの外径の 8 倍(8D)以上を確保する必要があります。配線時にはこれを厳守し、急な角度で曲げないでください。

  • ケーブルの曲げ半径は 6cm 以上を推奨します。

  • 特にセンサーヘッドとコントローラーを接続する部分に、航空コネクタから曲げ部分までの距離を 13cm 以上にしてください。

cable bend radius

ケーブル固定方法

定義

ケーブル固定 とは、ケーブルが配線および稼働中に移動、引張り、摩耗などの影響を受けず、安定性と信頼性を確保するために適切な支えや固定方法を指します。

要件

ケーブルまたは測定器の移動による引っ張りでコネクタの緩みを防ぐために、航空コネクタと曲げ部分の間にケーブルをしっかりと固定してください。また、航空コネクタから固定点を 13cm 以上離れるようにしてください。

cable bending fixing

ケーブルを束ねる時に以下の指示に従ってください。

  • ケーブルがしっかりと整列され、被膜に損傷がないようにしてください。

  • 結束する時、バンドのヘッド部の方向を一致させてください。また同じ位置にあるヘッド部を水平に並べて、きちんとカットしてください。

  • ケーブルを束ねる時、結束バンドの間隔をケーブル束の直径の 3~4 倍にして、均等に配置してください。

ケーブル保護方法

定義

ケーブル保護 とは、ケーブルが配線および使用中に外部環境や機械的応力によって損傷しないよう、さまざまな保護措置を講じることを指します。

要件

  • 配線中は、ケーブル同士が交差したり、他の鋭利な物体と摩擦しないようにし、摩耗を減らしてケーブルの寿命を延ばすようにしてください。

  • 損傷しやすい場所では、ケーブルを物理的な損傷から守るために保護管を使用します。鋭角の部分では、巻き付け型の保護管を使用して保護しますが、結束バンドを使って固定することは避けてください。そうしないと、巻き付け型の保護管やケーブルが摩耗する恐れがあります。

正しい例 エラー
cable protection correct1
cable protection wrong1

ケーブル保護管・ケーブルキャリア内の配線

ケーブル配線時に、ケーブル保護管やケーブルキャリアは一般的なケーブル保護装置です。ケーブル保護管またはケーブルキャリア内でケーブルを配線する際は、以下の要件を遵守してください。

  • ケーブル保護管は、ケーブル、エアチューブ、液体チューブなどの配管を保護し、整理するための外部保護装置です。これにより、内部の配管が作業環境で損傷や干渉を受けるのを防ぎ、設備の整頓と信頼性を確保します。

  • ケーブルキャリアは、ケーブルや配管を保護し、管理するための機械構造です。設備の動きに合わせてケーブルや配管が順序よく伸縮し、ケーブルの引っ張りや摩耗、絡まりを防ぎます。ケーブルキャリアはドラッグチェーンの一種で、より強固なリンク構造を持ち、重いケーブルや配管を支えることができます。

  • 内部でのケーブル固定を避ける

    ケーブルの自由度がなくなるため、ケーブル保護管やケーブルキャリアの内部にケーブルを固定しないでください。下図のような固定方法を使用できます。

  • ケーブルを固定して摩擦を防ぐ

    ケーブル同士の摩擦を避けるため、ケーブル保護管やケーブルキャリアの端だけにケーブルを固定することをお勧めします。

    cable carriers conduits
  • ケーブルキャリアが測定器と一緒に動かないようにする

    一般的な要件として、ケーブルキャリアの 3~4 のリンクが測定器と一緒に移動しないようにしてください。

  • ケーブルキャリア内のケーブルに過度な張力をかけない

    ケーブルキャリア内でケーブルを配線する際、張力に注意を払ってください。下図のように張力が加えられた(左)状態にも、緩み過ぎた状態(右)にもしないでください。ケーブルを過度に引っ張ると、ケーブルキャリアの内壁と摩擦し、保護スリーブが摩耗する原因となります。一方で、ケーブルが緩すぎると絡まりのリスクが増加します。さらに、ケーブルの可動部分が固定されている場合、曲げ応力が分散・吸収できなくなり、固定位置で応力集中を引き起こす可能性があります。そのため、ケーブルはケーブルキャリアの両端のみで固定する必要があります。

    cable carriers tightness
  • ケーブルキャリア内でのケーブル同士の干渉を防ぐ

    ケーブルキャリア内でケーブルを配線する際、ケーブルが重ならないようにし、ケーブル同士の干渉を防ぐために水平配線を実施します。水平配線を行う際は、ケーブル間に十分な隙間を確保することが重要です。ケーブルキャリア内では、ケーブル間の隙間はケーブル直径の10%以上とする必要があります。これにより、各ケーブルが十分なスペースを確保し、他のケーブルと接触したり摩擦を起こしたりしないようにします。

    cable interference in tank chain
  • コルゲート管内でのケーブルの絡まりを防ぐ

    コルゲート管内でケーブルを配線する際、ケーブルが絡まったり、結びついたりしないようにし、摩擦や損傷を防ぎます。

インラインプロファイル測定器のケーブル接続方法

測定器を正常に使用するために、ケーブルの接続が大事です。センサーヘッドとコントローラー、コントローラーと DIN レール電源、コントローラーと外部と外部 IO デバイス、エンコーダーとの間にケーブルを接続します。

センサーヘッド-コントローラー接続

ハードウェアのマニュアルを参照し、梱包にあるセンサーヘッド-コントローラー接続ケーブルを使用してセンサーヘッドとコントローラーを接続してください。以下の指示に従ってください。

ケーブルコネクタの取り外しや取り付けのスペースを確保するために、測定器を設置する時、以下のことに注意してください。

  • ストレート:H1 ≥ 130mm

  • エルボ:H2 ≥ 110mm;L ≥ 70mm

connector space
接続ケーブルのエルボコネクタは、センサーヘッドに接続し、ストレートコネクタはコントローラーに接続します。ケーブルのコネクタは、M12 航空コネクタです。

また、航空コネクタを取り付ける時、ナットをしっかりと回しながら最後まで押します。ナットを締めた後、2mm 以下の隙間があります。

connector gap

コントローラー-DIN レール電源接続

ハードウェアのマニュアルを参照し、梱包にあるコントローラー-DC 電源コードを使用してコントローラーと DIN レール電源を接続してください。以下の指示に従ってください。

  • コントローラーの DC 電源コードの露出している芯を 9mm 以上奥まっているように端子に挿入してください。

    dc power cable connection
  • 接地線を接続した後、マルチメーターを「抵抗」に切り換え、接地点とコントローラー/センサーヘッドの測定点間の抵抗を測定し、接地抵抗が 1Ω を超えないことを確認してください。

    コントローラー/センサーヘッドの測定点は以下の通りです(① と ②)。

    resistance test point

コントローラーと外部 IO デバイス、エンコーダーの接続

測定器は外部トリガーに対応でき、外部デバイスから受信した信号によってデータ収集をトリガーします。また、エンコーダーの信号によってスキャンをトリガーすることもできます。測定器を正常にトリガーするために、コントローラーと外部 IO デバイス、エンコーダーを正確に接続しなければなりません。

ハードウェアマニュアルを参考し、信号ケーブルを信号端子に接続します。以下の指示に従ってください。

入力端子に接続する

外部デバイスの信号ケーブルをコントローラーの入力端子に接続すると、外部デバイスによって測定器のデータ収集を実現します。

測定器は、外部デバイスからの信号によってデータ収集を制御する方法に対応できます。外部デバイスからの信号によってデータ収集を制御する方法によって、入力端子への接続方法は異なります。より詳細な情報は、外部デバイスによってデータ収集を制御する方法をご参照ください。

出力端子に接続する

外部デバイスの信号ケーブルをコントローラーの出力端子に接続すると、測定器のデータ収集状態信号またはユーザーが API で定義した信号を出力できます。

以下ではコントローラーの出力端子に接続する方法を示します。

connect io output
  • 上図では、17~20 は出力共通端子で、21 ~28 は通用デジタル出力端子 1~8 です。I/O モジュールは普通、PLC などの受信器です。

  • 外部デバイスにデータ収集状態信号を出力する場合、29 番 READY と 30 番 ERROR、31 番 TRG_ERROR 端子に接続します。より詳細な情報は、外部デバイスにデータ収集状態の信号を出力するをお読みください。

  • 出力端子の詳細説明については、出力端子をお読みください。

エンコーダー信号端子に接続する

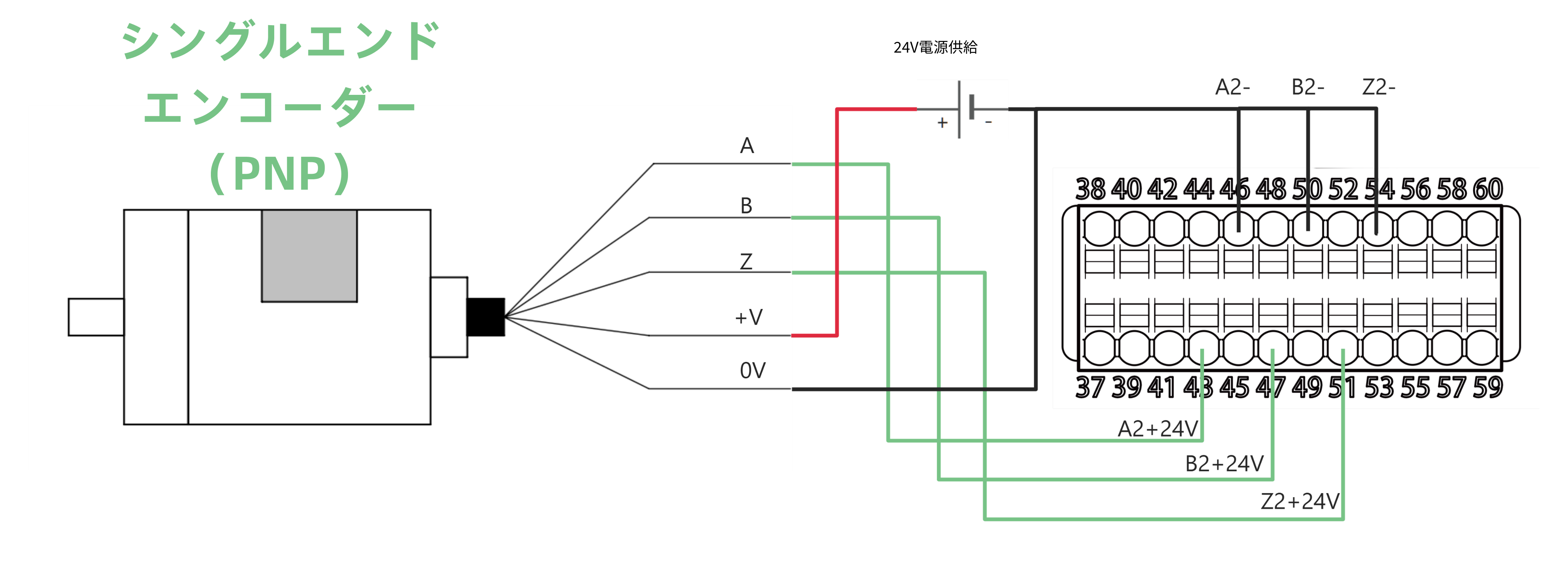
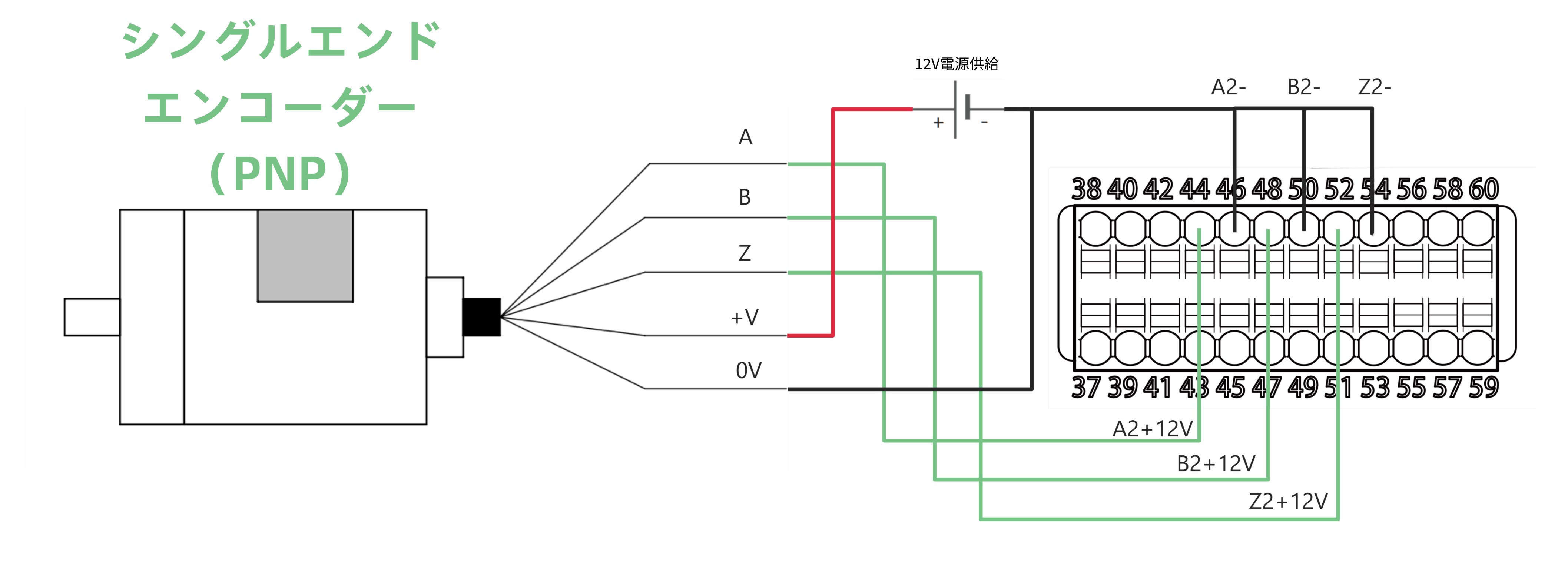
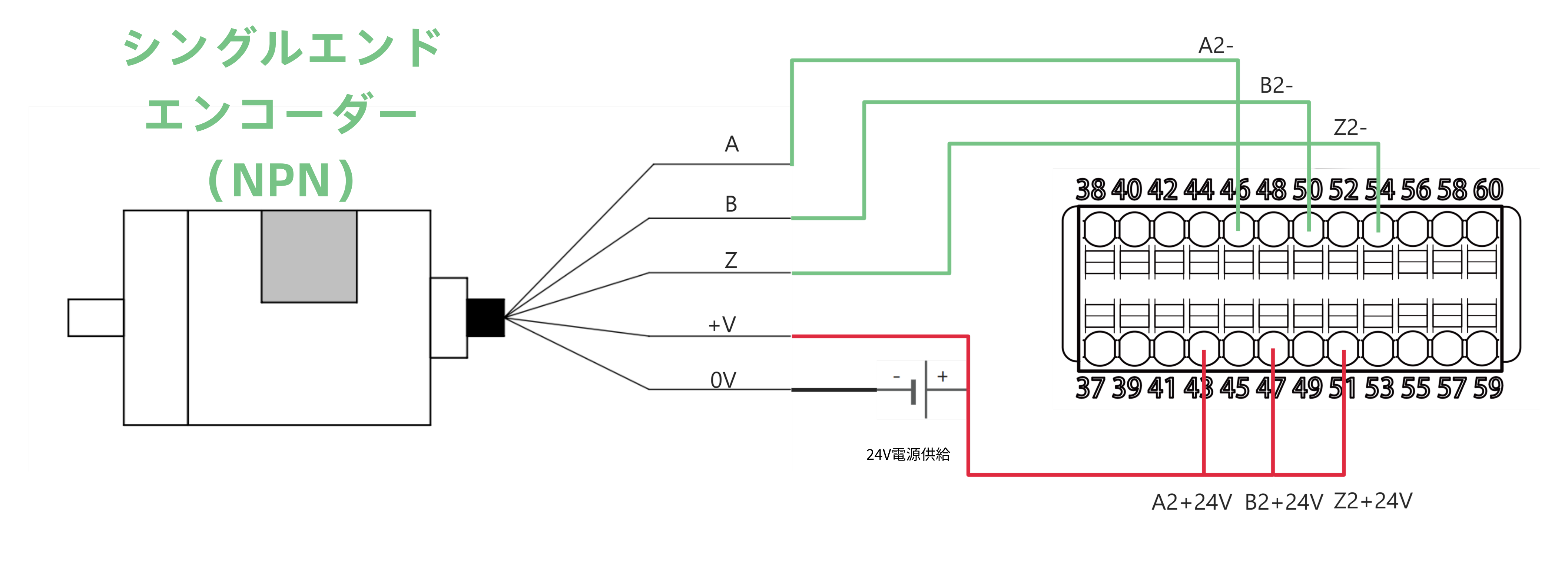
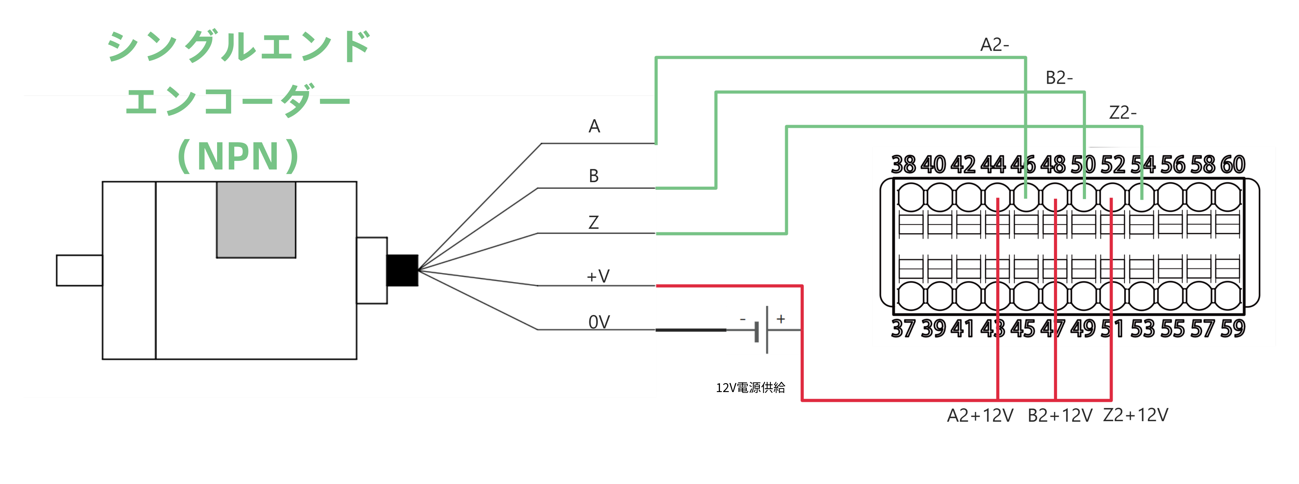
また、エンコーダーの信号によってラインスキャンをトリガーすることもできます。差動エンコーダーとシングルエンドエンコーダーの信号をコントローラーのエンコーダー信号端子に接続することができます。

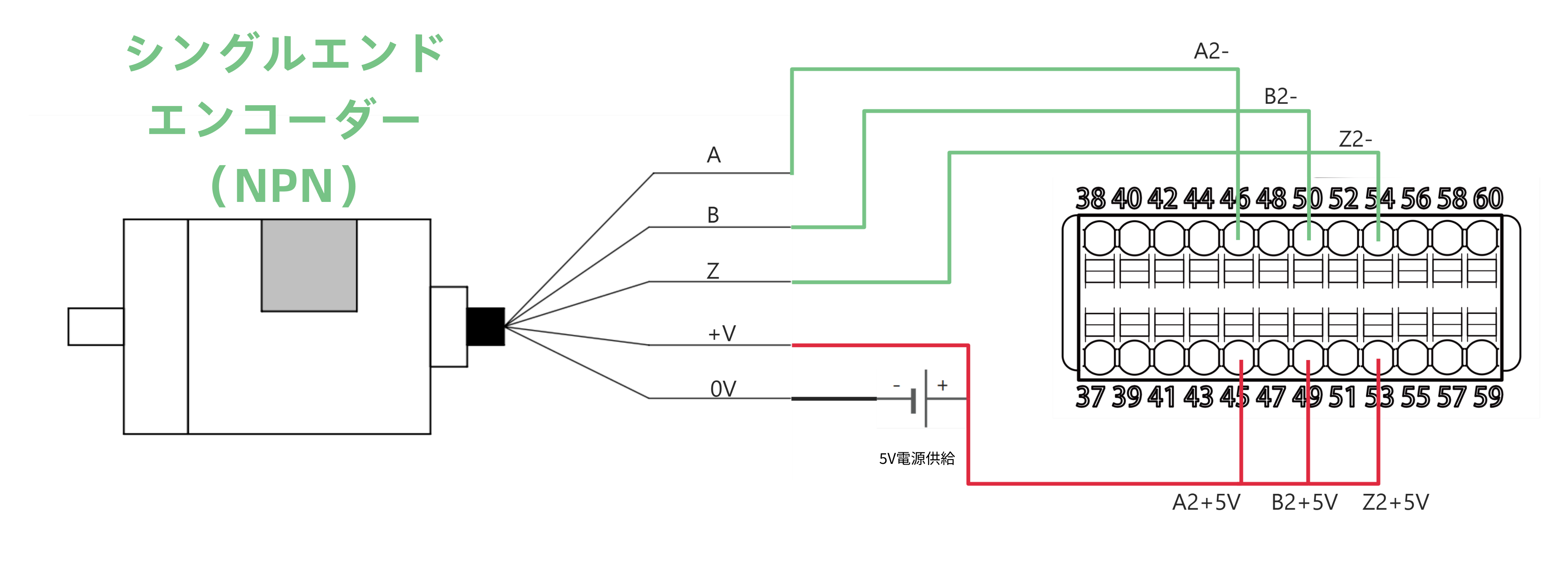
  • シングルエンドエンコーダーは、3 本のワイヤで A、B、Z 信号を転送し、共通接地線によって回路ループを作ります。信号電圧は、接地電位を基準に測定された値です。

  • 差動エンコーダーは 3 対のワイヤを使用して、3 対の相補信号 (正相信号と負相信号) を送信します。受信側では 2 本のワイヤの電圧差で信号値を決定します。

シングルエンドエンコーダー

以下のように、シングルエンドエンコーダーのワイヤをコントローラーのエンコーダー端子に接続します。

信号ソースのタイプ 電源電圧 接続説明図

NPN

5V

connect single ended encoder npn 5v

12V

connect single ended encoder npn 12v

24V

connect single ended encoder npn 24v

PNP

5V

connect single ended encoder pnp 5v

12V

connect single ended encoder pnp 12v

24V

connect single ended encoder pnp 24v

差動エンコーダー

以下のように、差動エンコーダーのワイヤをコントローラーのエンコーダー端子に接続します。

connect differential encoder

この情報は役に立ちましたか?

ご意見・ご要望がございましたら、以下よりお寄せください:

Mech-Mindは、お客様のプライバシーを重視しています

このサイトでは最高の体験を提供するために Cookie を使用しています。サイトの閲覧を続ける場合、Cookie の使用に同意したことになります。「拒否する」を選択すると、このサイトを訪れた際に追跡や記憶が行われないように単独の Cookie が使用されます。