Pautas de Cableado y Enrutamiento de Cables para Perfiladores Láser

Actualmente, está consultando la documentación de una versión preliminar (2.5.2). Si desea acceder a otra versión, haga clic en el botón "Cambiar de versión", ubicado en la esquina superior derecha de la página.

■ Si desea usar la versión más reciente del software, visite la página web Descargas de Mech-Mind para descargarlo.

■ Si no está seguro de qué versión del producto usa, contacte con el Soporte Técnico de Mech-Mind para obtener ayuda.

Este capítulo presenta las pautas de cableado y enrutamiento de cables para el perfilador láser, incluido el sensor y el controlador.

Pautas de Enrutamiento de Cables Para el Perfilador Láser

Pautas de Radio de Curvatura

Definición

El radio de curvatura se refiere a la distancia desde el lado exterior del cable hasta el centro de la curva cuando el cable está doblado.

Requisitos

  • El radio de curvatura no debe ser inferior a 8 veces el diámetro exterior del cable (8D). Es fundamental seguir estrictamente las directrices para evitar una curvatura excesiva.

  • Se recomienda que el radio de curvatura del cable del perfilador láser no sea inferior a 6 cm.

  • Preste especial atención a los conectores del cabezal del sensor y del controlador. La distancia desde el conector M12 del cable hasta el punto de flexión debe ser superior a 13 cm.

Ejemplo

cable bend radius

Pautas para la Fijación de Cables

Definición

La fijación de cables se refiere al uso de medidas adecuadas de soporte y fijación para garantizar que el cable permanezca estable y confiable durante la instalación y el funcionamiento, sin verse afectado por el movimiento, el estiramiento o el desgaste.

Requisitos

Se debe colocar un punto de apoyo fijo entre el conector M12 del cable y su punto de flexión para asegurar su fijación. Esto evita la tensión en el conector M12 durante el movimiento del cable o del perfilador láser, reduciendo así el riesgo de aflojamiento. Además, la distancia entre el conector M12 y el punto de apoyo fijo no debe ser inferior a 13 cm.

Ejemplo

cable bending fixing

Además, si se requiere agrupar los cables, siga los siguientes requisitos:

  • Los cables agrupados deben estar ordenados, con un aspecto cuidado y sin daños del aislamiento exterior.

  • Al agrupar los cables con bridas, asegúrese de que sus cabezas estén orientadas en la misma dirección. Las bridas en la misma posición deben estar alineadas en la misma línea horizontal y sus cabezas deben estar recortadas uniformemente.

  • Al agrupar los cables, asegúrese de que el espacio entre las bridas sea de 3 a 4 veces el diámetro del haz y que estén distribuidas de manera uniforme.

Pautas de Protección de Cables

Definición

La protección del cable se refiere al uso de diversas medidas de protección para garantizar que el cable esté protegido contra daños causados ​​por entornos externos o estrés mecánico durante la instalación y el uso.

Requisitos

  • Debe evitar cruzar cables y evitar que entren en contacto con objetos afilados para reducir el desgaste y prolongar la vida útil del cable.

  • En zonas propensas a daños, use conductos de protección para proteger los cables de daños físicos. En las esquinas agudas, use espirales para cables, pero evite usar bridas para asegurarlos, ya que esto podría desgastar tanto el espiral como el propio cable.

Ejemplo

Correcto Incorrecto
cable protection correct1
cable protection wrong1

Requisitos de Enrutamiento para Cables dentro de Dresspack o Cadena de Rieles

Durante el tendido de cables, el dresspack y la cadena portacables (como la cadena de rieles) son dos dispositivos comunes de protección. Al encordar cables dentro de un dresspack o una cadena de rieles, cumpla los siguientes requisitos.

  • Un dresspack es un dispositivo de protección externo que se usa para proteger y organizar cables, mangueras de aire, tuberías de fluidos y otras líneas. Envuelve, guía y protege las líneas internas, evitando que se dañen o interfieran en el entorno de trabajo, a la vez que garantiza la limpieza y la fiabilidad del funcionamiento del equipo.

  • Una cadena portacables es una estructura mecánica diseñada específicamente para proteger y gestionar cables y tuberías. Permite que los cables o tuberías se extiendan y retraigan de forma ordenada con el movimiento del equipo, evitando que se tiren, desgasten o se enreden. Una cadena de rieles es un tipo de cadena portacables con una estructura de eslabones más resistente, capaz de soportar cables y tuberías más pesados.

  • Evite fijar los cables en el interior

    Dentro del paquete de vestimenta o la cadena de rieles, evite fijar los cables a la estructura interna para garantizar que tengan suficiente libertad de movimiento y flexión, evitando así cualquier restricción a su movimiento normal. Consulte la figura a continuación para conocer los métodos de fijación específicos.

  • Fije los cables en la entrada para evitar rozamientos

    Asegure los cables en la entrada del paquete de vestimenta o cadena de rieles para evitar la fricción entre los cables.

    cable carriers conduits
  • Asegúrese de que una parte de la cadena de rieles no se mueva con el perfilador láser

    El requisito general es que al menos de 3 a 4 secciones de la cadena de rieles no se muevan con el perfilador láser.

  • Evite someter los cables de la cadena de rieles a una tensión adicional

    Al tender los cables dentro de la cadena de rieles, evite someterlos a una tensión adicional excesiva. No deben tensarse demasiado (como se muestra en la imagen izquierda) ni demasiado flojos (como se muestra en la imagen derecha). Tensar o aflojar demasiado los cables puede causar fricción con las paredes internas de la cadena de rieles, lo que desgasta la funda protectora. Además, una holgura excesiva puede aumentar el riesgo de enredos. Además, si las partes móviles de los cables están fijas, la tensión de flexión no se puede dispersar ni absorber, lo que provoca una concentración de tensión en los puntos fijos. Por lo tanto, los cables deben fijarse solo en ambos extremos de la cadena de rieles.

    cable carriers tightness
  • Evite interferencias entre cables dentro de la cadena de rieles

    Al tender los cables dentro de la cadena de rieles, evite la superposición y use un tendido horizontal para evitar interferencias. Al hacerlo, asegúrese de que haya suficiente espacio libre entre los cables. Dentro de la cadena de rieles, la distancia entre los cables debe ser al menos del 10 % del diámetro del cable para garantizar que cada cable tenga suficiente espacio y no entre en contacto ni roce con otros.

    cable interference in tank chain
  • Evite nudos y enredos de cables dentro del tubo corrugado

    Al pasar los cables dentro del tubo corrugado, asegúrese de que los cables no se enreden ni se formen nudos para evitar la fricción o daños posibles.

Pautas de Cableado para el Perfilador Láser

Para garantizar el uso correcto del perfilador láser, es necesario establecer el cableado correcto, que incluye principalmente las conexiones entre el sensor y el controlador, el controlador y la fuente de alimentación en carril DIN, el controlador y los dispositivos de E/S externos, y el controlador y el codificador.

Conectar el Sensor y Controlador

Consulte el manual del usuario del hardware y use el cable de conexión sensor-controlador incluido en el paquete para conectar el sensor y el controlador. Al realizar el cableado, es necesario cumplir los siguientes requisitos.

Teniendo en cuenta los requisitos para el desmontaje e instalación de los conectores de cables, el espacio reservado para los conectores de cables durante la instalación del perfilador láser debe cumplir los siguientes requisitos:

  • Conector recto: H1 ≥ 130 mm

  • Conector en ángulo recto: H2 ≥ 110 mm; L ≥ 70 mm

connector space
El conector en ángulo recto del cable de conexión sensor-controlador se usa para conectar el sensor, mientras que el conector recto se usa para conectar el controlador. Todos los conectores de cables son conectores M12.

Además, al instalar el conector M12, gire el conector M12 del cable mientras aprieta la tuerca, empujándola hacia adelante hasta que esté completamente apretada para asegurar la conexión. Después de apretar el conector M12, el hueco de la rosca (L) no debe superar los 2 mm.

connector gap

Conectar el Controlador y la Fuente de Alimentación en Carril DIN

Consulte el manual del usuario del hardware y use el cable de alimentación CC del controlador incluido en el paquete para conectar el controlador y la fuente de alimentación en carril DIN. Al realizar el cableado, es necesario cumplir los siguientes requisitos.

  • Asegúrese de que los cables de conexión del cable de alimentación CC del controlador estén insertados en el bloque de terminales con una profundidad de al menos 9 mm.

    dc power cable connection
  • Tras completar la conexión del cable de tierra, use un multímetro en modo de resistencia para medir la resistencia entre el punto de tierra de la máquina y los puntos de prueba del controlador y del sensor. Asegúrese de que la resistencia de tierra no supere 1 Ω.

    Los puntos de prueba de resistencia para el controlador y el sensor se muestran en la ilustración a continuación (① y ②).

    resistance test point

Conecte el controlador con el dispositivo de E/S externo y el codificador

El perfilador láser es compatible con el disparo externo, es decir, usa la señal insertada desde un dispositivo externo para activar cada ronda de adquisición de datos. Además, el perfilador láser permite activar cada escaneo de línea mediante la señal del codificador. Para activar el perfilador láser correctamente, es necesario establecer las conexiones adecuadas entre el controlador, los dispositivos de E/S externos y el codificador.

Consulte el manual del usuario del hardware y conecte alambres a terminales de señales. Al realizar el cableado, es necesario cumplir los siguientes requisitos.

Conectar los Cables a los Terminal de Señal de Entrada

Al conectar el cable de señal del dispositivo externo a los terminales señal de entrada correspondientes del controlador, puede controlar la adquisición de datos del perfilador láser mediante el dispositivo externo.

El perfilador láser es compatible con varios métodos para controlar la adquisición de datos mediante un dispositivo externo. Los requisitos de conexión de los terminales de señal de entrada varían según el método de control. Para obtener más información, consulte el capítulo Controlar la Adquisición de Datos mediante un Dispositivo Externo.

Conectar los Cables a los Terminal de Señal de Salida

Al conectar los cables de señal del dispositivo externo a los terminales de señal de salida correspondientes del controlador, puede enviar la señal de estado de adquisición de datos del perfilador láser o señales personalizadas (definidas a través de API) al dispositivo externo.

Consulte el siguiente diagrama de conexión para conectar los terminales de señal de salida del controlador.

connect io output
  • En el diagrama anterior, los terminales 17 a 20 son terminales comunes para la señal de salida, y los terminales 21 a 28 son terminales de salida digital universales 1a 8. El módulo de E/S suele referirse a receptores como los PLC.

  • Si es necesario proporcionar señales de estado de adquisición de datos al dispositivo externo, conecte los terminales 29 (READY), 30 (ERROR) y 31 (TRG_ERROR). Para obtener más información , consulte la sección Proporcionar las Señales de Estado de Adquisición de Datos para un Dispositivo Externo.

  • Para obtener información detallada sobre los terminales de señal de salida, consulte la sección Terminal de Señal de Salida.

Conectar los Cables a los Terminales de Señal del Codificador

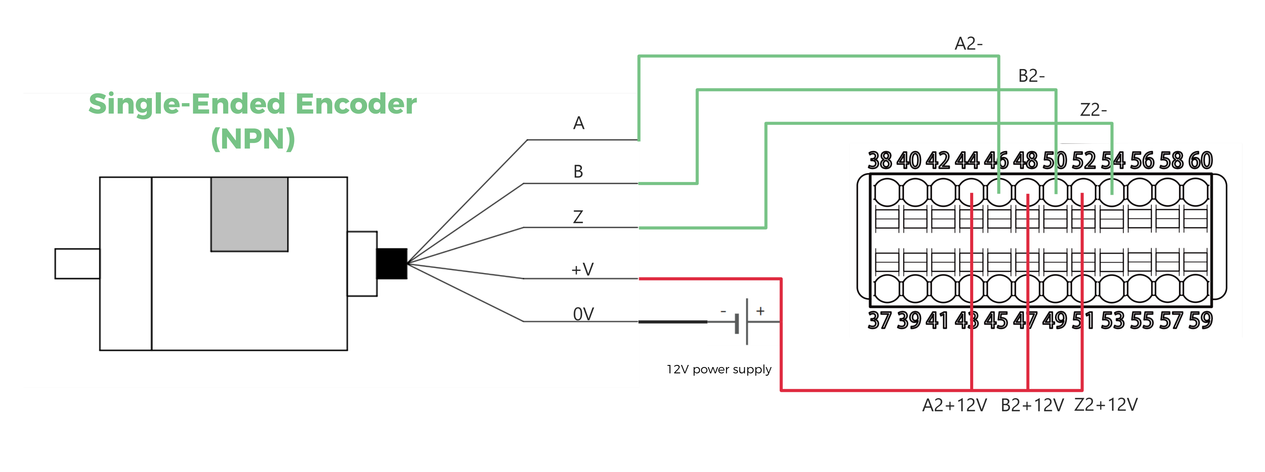
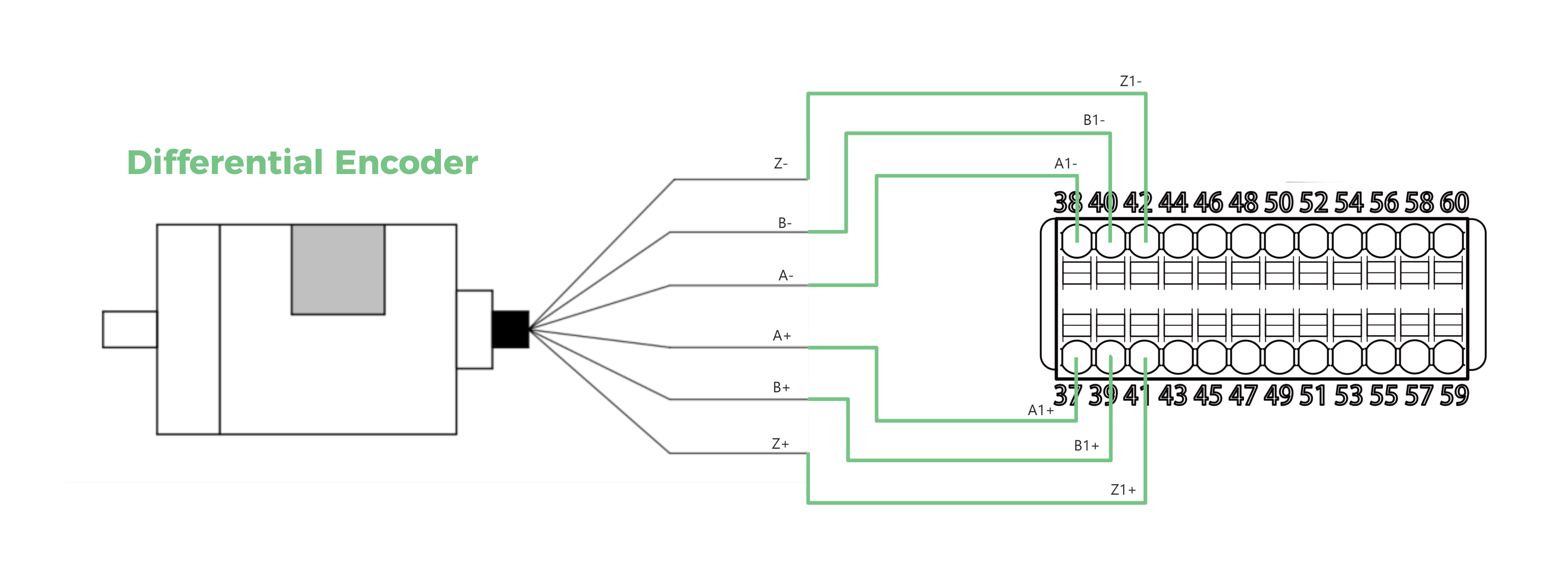
El perfilador láser permite activar cada escaneo de línea mediante la señal del codificador. El perfilador láser permite conectar señales de codificador diferencial y codificador de un solo extremo a los terminales de señal del codificador del controlador.

  • El codificador de un solo extremo usa tres cables para transmitir las señales A, B y Z, usando un cable de tierra común para completar el bucle del circuito. El voltaje de la señal se mide en relación con el potencial de tierra.

  • El codificador diferencial usa tres pares de cables para transmitir tres pares de señales complementarias (señales de fase positiva y negativa). El receptor compara la diferencia de voltaje entre los dos cables para determinar el valor de la señal.

Codificador de un Solo Extremo

Consulte los siguientes diagramas para conectar los cables del codificador de un solo extremo a los terminales de señal del codificador del controlador.

Tipo de fuente de señal Voltaje de alimentación Diagrama de conexión

NPN

5 V

connect single ended encoder npn 5v

12 V

connect single ended encoder npn 12v

24 V

connect single ended encoder npn 24v

PNP

5 V

connect single ended encoder pnp 5v

12 V

connect single ended encoder pnp 12v

24 V

connect single ended encoder pnp 24v

Codificador Diferencial

Consulte los siguientes diagramas para conectar los cables del codificador diferencial a los terminales de señal del codificador del controlador.

connect differential encoder

¿Es útil esta página?

Puede dejar un comentario mediante cualquiera de los siguientes métodos:

Respetamos su privacidad

Este sitio web almacena cookies para mejorar nuestra página y ofrecerle servicios más personalizados. Al continuar navegando por nuestro sitio web, acepta la recopilación y el tratamiento de cookies. En caso de rechazar dicho uso, se usará una única cookie para asegurarse de que no será rastreado o recordado al visitar este sitio web.